更多
力士乐REXROTH阀 R900223863 M- 3SED6CK13/350CG205N9K4原装现货
1台起批
2450.00
点此议价
上海峰值自动化设备有限公司
上海市嘉定区南翔镇胜辛南路
产品属性
图文详情
品牌推荐
品牌/型号
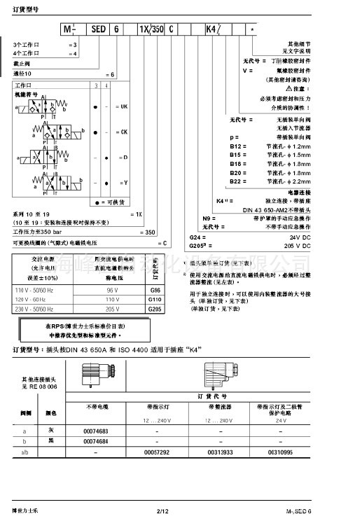
REXROTH/力士乐/M- 3SED6CK13/350CG205N9K4
加工定制
类型
座式方向阀
材质
铸钢
型号
M- 3SED6CK13/350CG205N9K4
品牌
REXROTH/力士乐
适用范围
标准
产品别名
电磁换向阀
适用介质
油品
适用温度
-30-80(℃)
公称压力
210(MPa)MPa
公称通径
6(mm)mm
安装形式
任意
工作温度
常温
类型(通道位置)
二通式
连接形式
法兰
零部件及配件
阀体
流动方向
换向
驱动方式
电磁
形态
柱塞式
压力环境
常压
主体材料
铸钢
规格
M-SED系列
五金零部件、配件、备品备件 > 液压元件 > 液压阀 >
马可波罗版权所有1999-2020