更多
台湾明纬电源 SP-200-5 PFC 系列 通用高功率因数 品质保证
10台起批
193.00
点此议价
产品属性
图文详情
品牌推荐
品牌/型号
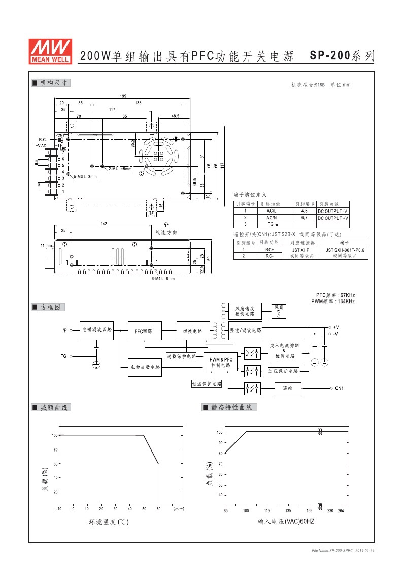
MEAN WELL/明纬/SP-200-5
品牌
MEAN WELL/明纬
型号
SP-200-5
类型
AC/DC电源
调制方式
脉冲宽度调制PWM式
晶体管连接方式
推挽式
输入电压
85-264(V)V
输出功率
200(W)W
输出电压
5(V)V
工作效率
71(%)%
输出纹波噪音
100mv
输出电压精度
76(%)%
电压调整率
4.75~5.5(%)%
负载调整率
+ - 1.0%(%)%
产品认证
PFC UL CUL CE CB TUV
输出电流
40AA
电气与能源设备 > 电源装置 > 开关电源 >
马可波罗版权所有1999-2020