
| 菜棚ptc加热器介绍 |
菜棚PTC发热器规格:TC270 35*15*2.4;
设计风速在3m/s±0.3m/s 下,标准PTC 规格如下:
PTC总长L0 (mm) | 有效发热长度 L1(mm) | 单支PTC功率(kW) (单位发热0.85kW/100mm) |
300 | 250 | 1、1.5、2 |
350 | 300 | 2.4 |
400 | 350 | 2.9 |
450 | 400 | 3.3 |
500 | 450 | 3.7 |
550 | 500 | 4.1 |
菜棚PTC加热器外观质量
3.1表面应整洁,铝锌层均匀,无脱落、划伤、毛刺、变形、生锈、油污等不良情况。
3.2电源引线无损伤,内部布线整齐,接线端子压接牢固,接线牢固,无虚接,无电线露出,引出线标识清楚,插头应符合标准。
3.3框架允许采用螺钉或螺栓连接固定。
3.4标志应便于识别辨认。
菜棚PTC加热器技术要求
4.1防腐要求
框架整体做防腐,满足盐雾试验150 小时无红锈产生。
4.2产品尺寸
4.2.1产品具体尺寸详见订单要求,高、宽、厚外形尺寸允许偏差5mm;
4.2.2 PTC电加热器长度尺寸允许偏差2mm,高宽允许偏差0.5mm;
4.2.3引出线长度允许偏差50mm,引线长从电加热框架最高点往下150mm 处算起;
4.3产品特性要求
4.3.1工作条件
(1)用户提供电源为380V/3N~50Hz;电压允许波动10%;电加热采用星形接法;
(2)工作温度范围-45℃~+85℃;
4.3.2性能参数
(1)额定功率允许偏差值
环境温度为25 ± 1 ℃,风速为3.0 ±0.3m/s(此风速是指空调箱内在电加热进风侧过风截面的平均风速)时,按照QB/T 2164—95 第5.2.1.1 条方法测试,发热
器的额定功率值允许偏差为+5~+20%。
(2)最大起始电流值
按照QB/T 2164—95第5.2.2.1条方法测试,额定电压为220V 时,最大起始电流
应不大于1.5倍的额定工作电流;在额定电压110V,最大起始电流应不大于2.5倍的额定工作电流。
(3)耐电压试验
按照QB/T 2164—95 第5.2.3.1 条方法测试,PTC 电加热器应无击穿、放电或飞弧现象。
(4)引出端强度试验
按照QB/T 2164—95 第5.3.1.1 条方法测试,PTC 电加热器引出端应无松动现象和无可见损伤。
(5)振动试验
按照QB/T 2164—95 第5.3.2.2 条方法测试,PTC 电加热器外观完好,引出端应无松动现象和无可见损伤,额定功率偏差应满足+5~+20%。
(6)温度变化试验
按照QB/T 2164—95 第5.3.3.2 条方法测试,PTC 电加热器外观无可见损伤,标识清楚,额定功率偏差应满足+5~+20%。
(7)交变温热试验
按照QB/T 2164—95 第5.3.4.2 条方法测试,PTC 电加热器标识清楚,额定功率偏差应满足+5~+20%。
(8)耐久性试验
按照QB/T 2164—95 第5.3.5.2 条方法测试,PTC 电加热器外观无可见损伤标
识清楚,连续工作1000 小时,功率衰减在 10% 以内。
(9)非正常工作试验
按照QB/T 2164—95 第5.3.6.1 条方法测试,PTC 电加热器应无击穿、放电或飞弧现象。
4.3.3电气参数
(1)绝缘电阻冷态绝缘电阻不低于10MΩ;热态绝缘电阻不低于5MΩ。
(2)有保护接地,接地线与固定布线中的保护接地线连接,接地电阻不大于0.1Ω。
(3)泄漏电流应不大于2mA/kW 额定输入功率,泄漏电流最大值应不大于10mA。
(4)冲击电流不大于额定电流的1.5 倍。
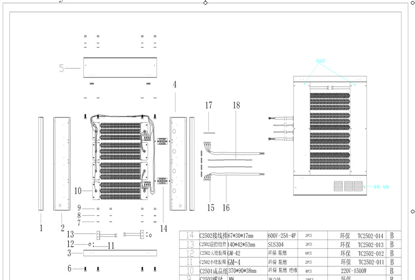
菜棚PTC加热器结果图
| 菜棚ptc加热器展示 |




| PTC加热器/发热器/发热片加工定制须知 |

| 关于我们-建龙电器 |
广州建龙电器有限公司创始于1984年。经过30年的发展,已成为家电行业电热器件的知名生产企业。公司坐落于著名的广州市花都区汽车产业基地,拥有花园式自有标准厂房22000平方米。公司技术力量雄厚,拥有先进的生产检测设备和检测实验室。
公司拥有注册员工800多人,工程师40多人。大专以上文化程度的技术,管理骨干近百人。长期以来,公司锤炼出一支训练有素的管理及服务队伍,凭借30年在电热器件领域,家用电器领域积累,高效的时间管理,完善的供应链管理,严谨的精细化管理,系统的ISO9001质量管理,赢得了包括海尔集团,海信集团,美的集团,格兰仕集团等众多知名企业的长期信赖和支持,并为国内外知名企业提供优质、快捷的电热产品设计和配套服务。
为了实现建龙人30年的梦想,践行民族伟大复兴的中国梦,2013年,公司推行了“生产行业一流的加热器产品,打造受社会尊敬的公民企业标杆”的公司纲领,将公司定位为“家电企业电热器件首选供应商”,提出了“健康快乐成功,真实简单自然”的人生境界。建龙集团正在进入了一个前所未有的高速发展时期。
主营:
PTC加热器:
PTC商用加热器、PTC家用加热器、PTC发热器暧风电器系列、PTC发热器足浴盆系列、PTC发热器小家电系列、PTC发热器监控设备系列、中央空调PTC加热器、家用空调PTC加热器、酒柜PTC加热器、家用取暖PTC加热器、暖风机PTC加热器、干手机PTC加热器、汽车PTC加热器、孵化器PTC加热器、工业热风烘干PTC加热器、烤漆房PTC加热器、大功率PTC加热器、美容美发器PTC加热器、电子饭盒PTC加热器
冰箱除霜加热器:
铝管冰箱除霜加热器、钢管冰箱除霜加热器、石英管冰箱除霜加热器
热水器电热管系列:
法兰63、法兰82、法兰93、法兰105、六角螺母法兰、蒸汽法兰电热管、干衣机电热管
烤箱烤炉电热管:
铝箔加热器:
冰箱补偿加热器、电饭煲加热器、电暖桌加热器、马桶盖加热器
硅胶加热带
压缩机加热带
| 联系我们 |
| 广州建龙电器有限公司 | |
![]() | 电 话:86 20 29087788 |
| 移动电话:13640988595 | |
| 传 真:86 20 29087700 | |
| 工厂地址:中国 广东 广州市花都区 广州市花都区风神大道59号 | |
| 营销地址:广州市天河区天河路535号保利中辰广场A座14楼1407室 | |
| 公司主页: | |