更多
大量现货 長拓高质量精密气压夹(气爪)手指气缸KHT_同SMC_MH
1台起批
0.00
点此议价
产品属性
图文详情
品牌推荐
品牌/型号
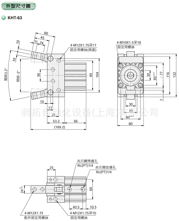
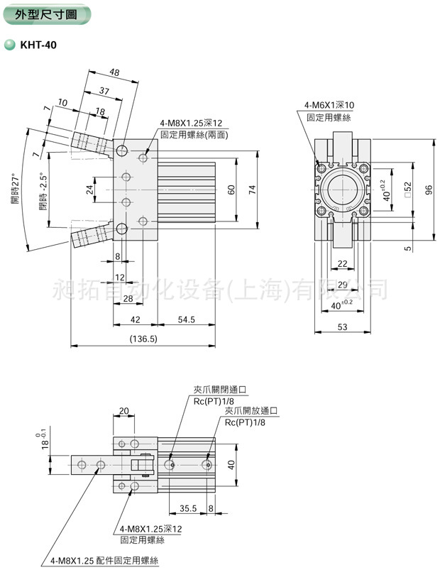
CHANTO台灣長拓/KHT32
最大负荷
多款供选(N)N
气缸数
5
种类
夹紧气缸
加工定制
理论作用力
多款供选(N)N
重量
多款供选(kg)kg
缸径
多款供选(mm)mm
型号
KHT32
适用范围
0.1~0.6Mpa
品牌
CHANTO台灣長拓
属性
属性值
最大力距
多款供选(Nm)
五金零部件、配件、备品备件 > 气动元件 > 气缸 >
马可波罗版权所有1999-2020