1、产品简介:
该产品是分析振动位移、振动加速度和失效分析的理想信号源。采用我们自主开发的锑化铟薄膜磁敏电阻作为敏感元件,配以放大整形线路用金属外壳封装而成,输出信号为准正弦波的交变电压信号。
2、工作原理:
将传感器紧固在被测的振动体上,当振动体在传感器敏感的测量方向上振动时,传感器内部的振动磁钢相应的强制振动,安装在振动磁钢旁边的磁敏元件能够感应磁钢振动引起的磁场变化,并产生一交变电压信号,此信号经电路处理放大后,输出与被测振动参数(频率和幅度大小)相对应的交变电压信号。
3、产品特点:
体积小、频响宽、使用简单、分辩率高、灵敏度高、寿命长等特点。
4、产品性能:
工作电压 | DC5V(可根据客户要求在DC5-24V订制) |
振动频率范围 | 0.3Hz-3KHz |
振动检测方向 | 与传感器轴向平行 |
输 出 信 号 | 无振动时 | 输出波形
| 输出电压幅度: 为近似DC2.5V的直流电平,噪音小于30 mV |
有振动时 | 输出波形
| 输出电压幅度: 最小:≥50mV 最大:4.8V(峰-峰值) |
输出灵敏度 | 可调整 |
使用温度 | -25℃~75℃ |
防护等级 | IP65~IP67 | 标准线长:1米 |
接线方式 | 棕——接正电源;黑——输出信号线;兰——接地线 |
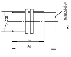
5、外形尺寸图及产品实物图:
