一、概述
在工业、民用各种水系统中普遍存在的结垢、腐蚀、污泥、微生物繁殖等四大危害。水系统尤其是循环水系统的水质问题一般都是综合性的,以往采用单一功能的水处理设备无法全面解决水质问题。全程综合水处理器集除垢、防垢、杀菌灭藻、防锈除污、超净过滤为一体,能有效处理管路腐蚀、结垢、菌藻繁殖、污泥滋生等问题。从根本上弥补了其它水处理产品的单一功能及不足,使水系统处理时需多种多台设备改变为单台即可完成综合处理。从而降低了安装及使用成本,有利于节省机房安装空间。
该产品采用了复合过滤体系、电晕效应场及多频电磁场等多项新技术新工艺,具有操作简单、维护方便、运行管理费用低等优点,是各种水系统处理的最佳选择。
二、工作原理
除垢、防垢:采用特定频谱的交变电磁场对水进行处理,由于水分子受到交变电磁场的作用,水的电子层分布发生改变,原来缔结链状的大分子断裂成单个水分子,水中溶解盐的正负离子被单个水分子包围,运动速度降低,有效碰撞次数减少,静电引力下降,从而使水中的钙镁离子无法与碳酸根结合成碳酸钙和碳酸镁,从而达到防垢效果。同时由于水吸收大量被激励的电子,使水分子偶极距增大,与盐的正负离子的亲和能力增强,可使设备、管路积垢变得松软,龟裂自行脱落,同时利用处理器中复合多介质滤体,将水体中杂质阻隔并随排污排走。
杀菌灭藻:利用特定频谱的高频电磁波穿透水中菌藻的细胞壁,直接破坏细菌赖以生存的酶系统,从而组织细菌吸收葡萄糖,停止其新陈代谢,达到杀菌灭藻的目的;同时利用处理器中复合多介质滤体将水体中杂质阻隔并随排污排走。
防腐除垢:当水体接受电磁能力的作用后,单个水分子包容了溶解在水中的氧分子,使溶解氧成为惰性氧,切断了金属锈蚀所需要氧的来源。同时利用电磁场的趋肤效应在管壁上聚集了大量的电子,有效防止管道内壁的金属原子失去电子被氧化,从而破坏管路中引起生锈的电化反应,阻止管路生锈腐蚀、减轻黄锈水,黑水现象。
净化过滤:其原理是利用电晕效应场、多层次复合过滤体结合在一起而形成的综合过滤体系,它可以吸附阻隔水中的金属离子、悬浮物、腐殖质等杂质,并随反冲洗排污排除水系统,能够有效减轻黄水黑水现象,有效降低水的色度,达到控制水质的目的。
三、技术参数
①适用水质:总硬度<700mg/L(以CaCO3计)
进水悬浮物浓度小于70mg/L
颗粒径大于40μm
②适用水温:<100℃
③工作电源:交流220V 50HZ
④适用工作压力:0~1.6MPa
⑤使用寿命:10年
⑥压力损失:<0.03~0.06MPa
⑦使用性能:控制腐蚀率≤0.10mm/年
防垢除垢率≥95%
杀菌灭藻率≥90%
超净过滤效率≥70%
四、应用范围
1、中央空调冷却水、冷冻水系统
2、工业冷却循环水系统
3、热交换水系统
4、采暖循环水系统
5、工业及民用热水供应系统
6、地表水及地下水蓄热应用系统
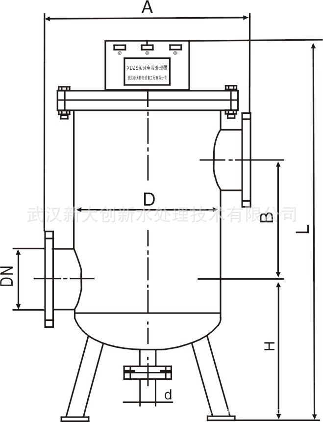
五、型号规格

型 号 | 进出水口直径 | 处理水量 (m3/h) | 相关尺寸(mm) | 输入 功率W | 重量 Kg |
mm | 吋 | L | A | B | h | D | d |
XDZS-50 | 50 | 2 | 10-18 | 980 | 550 | 280 | 400 | 300 | 25 | 150 | 120 |
XDZS-65 | 65 | 2.5 | 15-30 | 1000 | 550 | 280 | 410 | 300 | 25 | 160 | 135 |
XDZS-80 | 80 | 3 | 20-40 | 1020 | 550 | 280 | 420 | 300 | 25 | 180 | 140 |
XDZS-100 | 100 | 4 | 40-70 | 1060 | 550 | 300 | 430 | 300 | 32 | 200 | 150 |
XDZS-125 | 125 | 5 | 50-100 | 1160 | 600 | 340 | 460 | 350 | 40 | 220 | 190 |
XDZS-150 | 150 | 6 | 70-150 | 1250 | 650 | 380 | 490 | 400 | 40 | 250 | 240 |
XDZS-200 | 200 | 8 | 120-260 | 1360 | 760 | 400 | 540 | 500 | 50 | 270 | 305 |
XDZS-250 | 250 | 10 | 250-450 | 1410 | 760 | 400 | 560 | 500 | 50 | 300 | 350 |
XDZS-300 | 300 | 12 | 400-660 | 1590 | 860 | 460 | 660 | 600 | 65 | 320 | 460 |
XDZS-350 | 350 | 14 | 500-900 | 1660 | 860 | 460 | 690 | 600 | 65 | 350 | 490 |
XDZS-400 | 400 | 16 | 800-1000 | 1800 | 950 | 520 | 740 | 700 | 80 | 370 | 585 |
XDZS-450 | 450 | 18 | 1000-1400 | 1850 | 950 | 520 | 760 | 700 | 80 | 400 | 620 |
XDZS-500 | 500 | 20 | 1400-2000 | 2000 | 1050 | 580 | 820 | 800 | 100 | 450 | 740 |
XDZS-600 | 600 | 24 | 2000-3000 | 2110 | 1050 | 580 | 860 | 800 | 100 | 500 | 780 |
(注:DN600以上型号可根据用户要求订制,如遇产品更新换代,设备规格参数有所变动,恕不另行通知。)