'


风量调节阀产品简介
手动风量调节阀广泛用于建材、玻璃、矿山、电力、轻工、造纸等行业,在管路上作为双向启闭及调节介质的流量的重要设备,对管路中流量根据工况的不同需要进行调节,以满足管道工艺运行需要。
风量调节阀结构特点
手动风量调节阀采用优质钢板焊接而成,设计新颖、结构简单实用、体积小、重量轻、流阻小、启闭力矩小、调节轻松自如、灵活可靠,开度指示显著、清晰、准确、便于观察和操作,能有效地控制气体流量,是各种风管系统中理想的调节设备。
风量调节阀性能参数
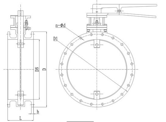
风量调节阀产品外形图及外形连接尺寸
DN | D | D1 | L | b | H | Li | n-¢d | 重量(kg) |
100 | 164 | 140 | 80 | 6 | 140 | 150 | 8-10 | 9 |
160 | 234 | 204 | 80 | 6 | 165 | 150 | 8-12 | 15 |
180 | 254 | 224 | 80 | 6 | 175 | 200 | 8-12 | 17 |
200 | 274 | 244 | 80 | 6 | 185 | 200 | 12-14 | 20 |
220 | 294 | 264 | 80 | 6 | 210 | 200 | 12-14 | 22 |
250 | 330 | 300 | 100 | 6 | 225 | 200 | 12-14 | 24 |
280 | 3360 | 330 | 100 | 8 | 240 | 200 | 12-14 | 27 |
320 | 400 | 370 | 100 | 8 | 260 | 300 | 12-14 | 32 |
360 | 440 | 410 | 100 | 8 | 280 | 300 | 16-14 | 40 |
390 | 470 | 440 | 100 | 8 | 295 | 300 | 16-14 | 43 |
400 | 480 | 450 | 100 | 8 | 300 | 300 | 16-14 | 44 |
450 | 530 | 500 | 100 | 8 | 325 | 300 | 16-14 | 56 |
500 | 580 | 550 | 100 | 8 | 350 | 350 | 16-14 | 72 |
560 | 640 | 610 | 100 | 10 | 380 | 350 | 16-14 | 88 |
600 | 680 | 650 | 100 | 10 | 420 | 350 | 20-14 | 96 |
630 | 710 | 680 | 100 | 10 | 435 | 350 | 20-14 | 113 |
700 | 784 | 754 | 120 | 10 | 470 | 350 | 20-14 | 128 |
800 | 890 | 954 | 120 | 10 | 520 | 450 | 20-14 | 164 |
900 | 990 | 1054 | 120 | 10 | 570 | 450 | 20-14 | 188 |
1000 | 1090 | 1174 | 160 | 10 | 620 | 450 | 28-14 | 212 |
风量调节阀产品外形图及连接尺寸
产品外形连接尺寸
A*A1 | B*B1 | C*C1 | L | H | L1 | n-¢d | 重量(kg) |
120*120 | 160*160 | 180*180 | 120 | 140 | 150 | 8-10 | 9 |
160*120 | 200*160 | 220*180 | 120 | 165 | 150 | 8-10 | 15 |
160*160 | 200*200 | 220*220 | 120 | 175 | 150 | 8-10 | 17 |
200*200 | 240*200 | 260*220 | 120 | 185 | 200 | 8-10 | 20 |
250*160 | 240*240 | 260*260 | 120 | 210 | 200 | 8-10 | 22 |
250*200 | 300*170 | 320*190 | 120 | 225 | 200 | 8-10 | 24 |
250*250 | 295*205 | 320*225 | 120 | 240 | 200 | 12-10 | 27 |
320*160 | 295*245 | 320*265 | 140 | 260 | 200 | 12-10 | 32 |
320*200 | 295*295 | 315*315 | 140 | 280 | 200 | 12-10 | 40 |
320*250 | 365*365 | 385*225 | 140 | 295 | 300 | 12-10 | 20 |
320*320 | 445*245 | 385*315 | 140 | 300 | 300 | 12-10 | 22 |
400*200 | 445*365 | 385*385 | 140 | 325 | 300 | 12-10 | 24 |
400*250 | 445*445 | 470*270 | 140 | 350 | 300 | 12-10 | 27 |
400*320 | 545*245 | 470*320 | 140 | 380 | 350 | 12-10 | 32 |
400*400 | 445*445 | 470*470 | 140 | 420 | 350 | 16-10 | 40 |
500*200 | 245*245 | 570*270 | 140 | 435 | 350 | 16-10 | 43 |
500*250 | 545*295 | 570*390 | 140 | 300 | 350 | 16-10 | 44 |
500*400 | 545*365 | 570*470 | 140 | 350 | 350 | 16-10 | 65 |
500*500 | 545*445 | 570*570 | 140 | 350 | 350 | 20-12 | 70 |
630*250 | 675*365 | 700*320 | 160 | 350 | 350 | 20-12 | 75 |
630*320 | 675*445 | 700*390 | 160 | 350 | 350 | 20-12 | 80 |
630*400 | 675*545 | 700*470 | 160 | 350 | 350 | 20-12 | 90 |
630*500 | 675*545 | 700*570 | 160 | 450 | 400 | 20-12 | 95 |
800*800 | 854*854 | 880*880 | 160 | 450 | 400 | 24-12 | 182 |
'