'
2N60(TO-251)







本公司专业生产销售半导体三极管、 MOS管、可控硅、 三端稳压等晶体管,长期以来主要为节能照明、家用电器、电源、音响、汽车电子、电控玩具等配套,主要以中大功率为主,本公司长期供应的主要产品有:
1300系列:13001(0.66芯片、0.76芯片、0.83芯片)、13002(1.0芯片、1.18芯片)、13003(1.18芯片、1.32芯片、1.43芯片、1.63芯片、1.84芯片)、13005(1.63芯片、1.84芯片、2.25芯片、2.38芯片、2.52芯片)、13007(3.3芯片)
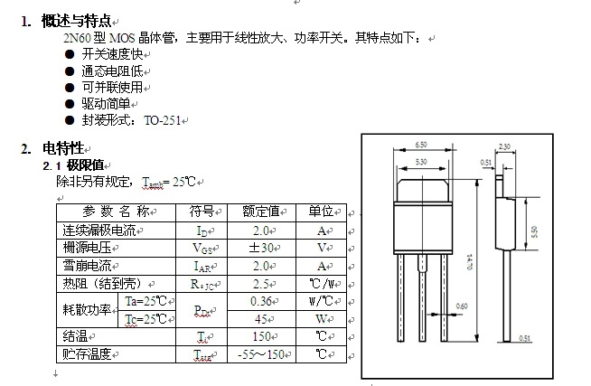
MOS管:1N60(TO-92)、1N60(TO-220)、2N60(TO-220)、2N60(TO-251)、2N60(TO-252)、4N60(TO-220)、4N60(TO-220F)、4N60(TO-251)、4N60(TO-252)、7N60(TO-220F)、IRF630、IRF640、IRF730、IRF740、IRF830、IRF840
可控硅:100-6、100-8、97A6、97A8、BT169D、BT131、PCR406、PCR606、X0605、Z0607、XL1225、BT134、2P4M、BT136、2P4M、C106D
TO-92L:2SC2382、2SC2482、2SC2655、2SD667、2SB764、2SB892、2SA1013、2SD400、 HIT5609、HIT5610、2SD882、2SB772
TO-92:2SC1815Y/GR、2SA1015Y/GR、2SC945、2SA733、2SC1674、SS8050、SS8550、S8050、S8550、9012、9013、9014、9015、9018、A42、A44、A92、BC337、BC338、 BC547、BC548、BF420、BF421、BF422、BF423、2SA673、2SD882、2SB772、2SD965、2SD1616、2SD2216、2N2222、2N3904、2N3906、2N4401、2N5401、2N5551、2N6520T。
TO-220:2SD2012、2SC4544、TIP31C、TIP32C、TIP41、TIP42、TIP122、TIP127、2SD880、7805、7812等,
TO-126: 2SD882、2SB772、2SC2688、2SC3807、78L05、TL431。
质量第一,价格优惠,欢迎广大用户选用。
联系电话:135 4259 4187(舒先生) 商务QQ:1814528093
公司阿里巴巴10年诚信通网址:http://shop1388720477049.1688.com
'