CFYH油田荷重传感器

特点与用途 |
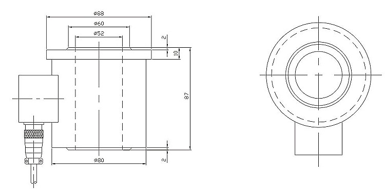
| | | 该传感器采用筒式简支梁结构,内部密封‘具有动态性能好,综合精度高,防腐、防尘、防水等特点,可实现无线传输功能。 专门用于油田抽油机、工作状况自动化测试及控制信号采集、可直接输出各种标准信号,也可直接供PLC或计算机。 |
|

| 参数 | 单位 | 技术参数 | 参数 | 单位 | 技术参数 | | 灵敏度 | mV/V | 1.0~1.5±0.05 | 灵敏度温度系数 | ≤%F·S/10℃ | ±0.1 | | 非线性 | ≤%F·S | ±0.3 | 工作温度范围 | ℃ | -20℃~+80℃ | | 滞后 | ≤%F·S | ±0.3 | 输入电阻 | Ω | 750±50Ω | | 重复性 | ≤%F·S | ±0.15 | 输出电阻 | Ω | 700±5Ω | | 蠕变 | ≤%F·S/30min | ±0.1 | 安全过载 | ≤%F·S | 150%F·S | | 零点输出 | ≤%F·S | ±1 | 绝缘电阻 | MΩ | ≥2000MΩ(50VDC) | | 零点温度系数 | ≤%F·S/10℃ | ±0.1 | 推荐激励电压 | V | 10V~15V |
|
|