'
9mm四联电位器开关
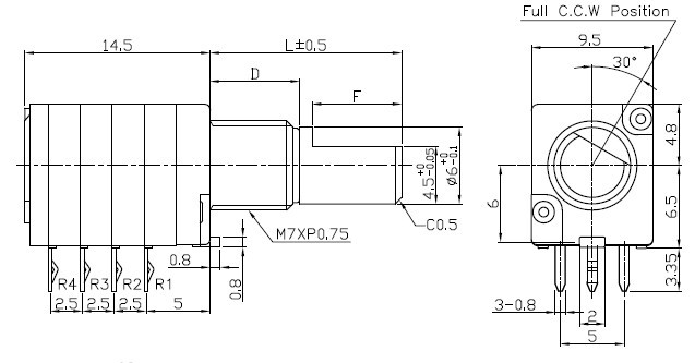
●特点:卧式四联带开关型
●工作电压:50V AC 20V DC
●有效回转角度:300±5°
●旋转寿命:10000次
conductive plastic potentiometer :
| 1. Mechanical Characteristic: |
| |
| 1.1 Rotational stopper strength: 3kgf.cm Min. |
| 1.2 Total Rotational angle: 300degree |
| 1.3 Rotational torque: 10-200gf.cm |
| 1.4 Push-pull strength: 8kgf.cm Min. |
| 1.5 Shaft wobble: 0.6*L/20mm p-p Max. |
| 1.6 Loop and number of pole: single pole and single throw(push on) |
| 2. Electrical Characteristic: |
| 2.1 Rated power: Linear taper B: 0.05W, other taper: 0.025W |
| 2.2 Max. operating voltage: AC 50V, DC 10V |
| 2.3 Insulation resistance: more than 100m ohm at 250V DC |
| 2.4 Voltage proof: 1minute at AC 300V |
| 2.5 Initial contact resistance: less than 100m ohm |
| 3. Endurable Characteristic: |
| 3.1 Operating temp. range: -30℃ to 60℃ |
| 3.2 Rotational life: 30,000cycles |






'