'
德国ZF集团公司的动力传动系统和底盘技术使其成为全球的汽车组件供应商。ZF在全球25个国家拥有119家制造公司和6个主要研发中心,除此之外还拥有17个贸易公司,27个销售及服务中心,700个服务站点。密集的网点分布使得ZF能够及时有效的与全球范围内各层次各地区的客户取得联系并提供服务。ZF取得成功的主要因素在于其领先的科技,质量和服务。这也是强化其在国际市场上地位的关键。客户除了可以获得高质量产品和专家意见外,还可受益于ZF集团的系统技术知识。
我们的创新产品范围有:低背隙的伺服齿轮箱 (ZF servo gearbox); 高精度双速齿轮箱 (ZF Douplan) 和无接触控制应用的磁滞式刹车及离合器(ZF-Tiratron);轨道车辆用变速箱及驱动装置。
咨询热线:13611621069
常有机床高精度主轴双速齿轮规格有:
2K121 GA 4161070303 , 2K120 GA 4161070305 , 2K121 GA 4161070335
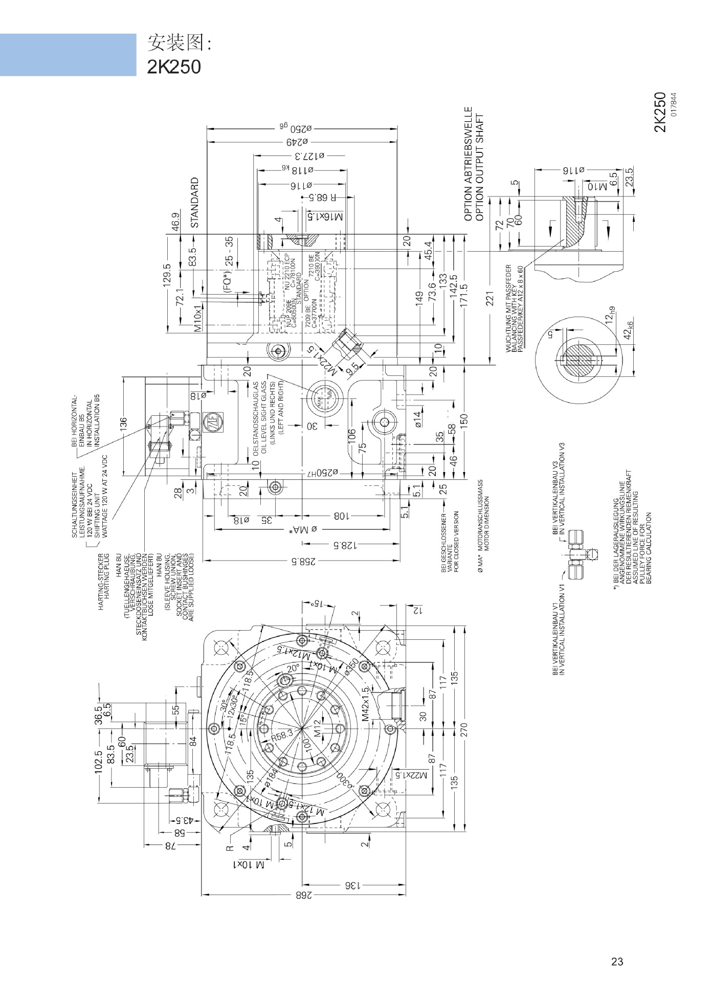
2K250GA 4161071308 2K250GA 4161071318 2K250GA 4161071333
2K250GA 4161071346 2K300GA 4161072302 2K300GA4161072303
2K300GA 4161072379 2K800 2K801
2K双速主轴齿轮箱 2K121 2K250 2K300 2K800
特性及优势:
1、高转速范围(相对于所有的马达)可达12000rpm
2、在大范围转速内切削力恒定不变
3、低振动,低噪音使切削过程更平滑,工件的表面工艺更好
4、扭转背隙低;结构紧凑;传动效率高;安装方便
5、在较小或较大的铝制、钢制零件上都有着广泛的应用
安装方式:法兰式/主轴式/轴式输出式/直传主轴式(选配中央出水)
应用范围: 高端数控机床/钢铁生产线和机械








更多技术咨询,请与我们联系,谢谢!
电 话:025-68662918
传 真:025-68650076
手 机:13611621069
联络人:龚汉军
Q Q:269180292
邮 箱:salesnj@yeah.net
'