'
CFBLY轮辐拉压力传感器

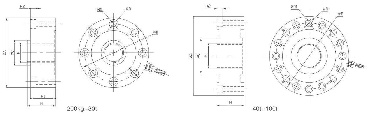
200KG-100T尺寸
产品名称:CFBLY轮辐拉压力传感器
产品编号:134039-877
重要声明:高灵传感保留更改产品设计、规格、参数的权利及资料信息的最终解释权。欲了解更多关于高灵产品的信息,请致电高灵公司,索取更多详细的技术资料。
特点与用途
传感器采用轮辐式弹性体结构,具有低外形、抗偏载、精度高、强度好、安装方便,拉压输出对称性好等特点。广泛应用于工业系统中力的测量和天车秤、轨道衡、料斗秤等各种称重、测力的工业自动化测量控制系统。
外形尺寸

![]()
| 量 程 | ФA | ФB | ФC | M | H | H1 | H2 | ФD | ФD1 |
| 200~700kg | 88 | 72 | 22 | M12×1.75 | 34 | 31 | 7.2 | 8-Ф11 | 8-Ф7 |
| 1~5t | 105 | 89 | 32 | M16×1.5 | 37 | 34 | 7.2 | 8-Ф11 | 8-Ф7 |
| 10~20t | 120.6 | 101.8 | 39 | M32×1.5 | 53.5 | 41 | 10.5 | 8-Ф14 | 8-Ф9 |
| 30t | 141 | 116.8 | 50.4 | M40×1.5 | 57.2 | 50.8 | 11 | 8-Ф18 | 8-Ф11 |
| 量 程 | ФA | ФB | ФC | M | H | H2 | ФD | ФD1 |
| 40t~60t | 208 | 174 | 95 | M64×3 | 70 | 15 | 16-Ф20 | 16-Ф13 |
| 80t~100t | 280 | 230 | 120 | M76×3 | 90 | 20 | 16-Ф30 | 16-Ф17 |
技术指标
| 参 数 | 单 位 | 技术参数 | 参 数 | 单 位 | 技术参数 |
| 灵敏度 | mV/V | 2.0±0.05 | 灵敏度温度系数 | ≤%F·S/10℃ | ±0.03 |
| 非线性 | ≤%F·S | ±0.03 | 工作温度范围 | ℃ | -20℃~+80℃ |
| 滞 后 | ≤%F·S | ±0.03 | 输入电阻 | Ω | 750±20Ω |
| 重复性 | ≤%F·S | ±0.03 | 输出电阻 | Ω | 700±5Ω |
| 蠕 变 | ≤%F·S/30min | ±0.03 | 安全过载 | ≤%F·S | 150%F·S |
| 零点输出 | ≤%F·S | ±1 | 绝缘电阻 | MΩ | ≥5000MΩ(50VDC) |
| 零点温度系数 | ≤%F·S/10℃ | ±0.03 | 推荐激励电压 | V | 10V~15V |
拉力传感器原理
1.拉力传感器又叫电阻应变式传感器,隶属于称重传感器系列,是一种将物理信号转变为可测量的电信号输出的装置,它使用两个拉力传递部分传力,在其结构中含有力敏器件和两个拉力传递部分,在力敏器件中含有压电片、压电片垫片,后者含有基板部分和边缘传力部分,其特征是使两个拉力传递部分的两端分别固定在一起,用两端之间的横向作用面将力敏器件夹紧,压电片垫片在一侧压在压电片的中心区域,基板部分位于压电片另一侧与边缘传力部分之间并紧贴压电片,其用途之一是制成钩秤以取代杆枰。实际工作环境对于正确选用拉力传感器至关重要,它不仅关系到拉力传感器能否正常工作以及它的安全和使用寿命,甚至整个衡器的可靠性和安全性。
2.拉力传感器基于这样一个原理:弹性体(弹性元件,敏感梁)在外力作用下产生弹性变形,使粘贴在他表面的电阻应变片(转换元件)也随同产生变形,电阻应变片变形后,它的阻值将发生变化(增大或减小),再经相应的测量电路把这一电阻变化转换为电信号(电压或电流),从而完成了将外力变换为电信号的过程。3.考虑到使用地点的策略加速度和空气浮力对转换的影响,拉力传感器的性能指标主要包括有线性误差、滞后误差、重复性误差、蠕变、零点温度特性和灵敏度温度特性等。
4.拉力传感器的优点是精度高,测量范围广,寿命长,结构简单,频响特性好,能在恶劣条件下工作,易于实现小型化、整体化和品种多样化等。它的缺点是对于大应变有较大的非线性、输出信号较弱,但可采取一定的补偿措施,因此它广泛应用于自动测试和控制技术中。
本公司产品为国内一线,质量可靠,具有产品生产许可证,计量器具许可证,ISO9001认证等


公司设备齐全:包括各种标定检测设备,为高精度称重传感器生产创造有利环境



公司从材料源头掌控,集中话规模生产,减少外供配件产生的误差,质量层次不齐的问题,保证每个环节的质量,优良的操作系统,可追溯问题源头



'