| |||||||||||||||||||||||||||||||||||||||||||||||||||||||||
| |||||||||||||||||||||||||||||||||||||||||||||||||||||||||
产品详情 |
| 概述: | ![]() | ||
| CYT8538S是一款工作于准谐振模式下的降压式恒流驱动芯片。适合于85Vac~264Vac 全范围输入电压高恒流精度要求的非隔离降压型LED恒流驱动电源系统。 | |||
CYT8538S采用零电流检测方法,应用独特的闭环恒流控制专利临界准谐振工作模式实现系统高效率驱动转换。可采用更小尺寸的电感,无续流二极管的反向恢复问题,只需要很少的外围元件,即可实现优异的恒流特性,极大的节约了系统成本和体积。内置线电压补偿,无需增加电流补偿电路便可满足±3%的电流精度。 | |||
CYT8538S内置600V耐压功率管,使得每个周期都在真正的谷底开通,从而降低了系统的开关损耗和EMI。软启动以及创新的最大导通时间可控设计,确保系统在上电及关灯瞬间无电流过冲,保障了整灯LED的使用寿命。 | |||
| 应用领域: | |||
LED球泡灯E14/E27/PAR30/PAR38… 、LED蜡烛灯、 LED日光灯T5/T8/T10… 、LED厨卫灯、LED吸顶灯、其他LED照明 | |||
特点: | 管脚 | 管脚序号 | 功能 |
| ·临界工作电流模式、闭环恒流制技术专利 | Gnd | 1 | 芯片接地端 |
| ·开关机瞬间输出电流无过冲、±3%系统恒流精度 | Ovp | 2 | 输出开路电压设置端 |
| ·内置600V 4A高压功率管 | Nc | 3 | 无连接 |
| ·CS采样电阻开路、短路保护 | VCC | 4 | 芯片电源端 |
| ·LED输出开路、短路保护、可编程输过压保护 | Vc | 5、6 | 内部高压功率管漏极 |
| ·无需辅助绕组检测和供电、无需任何环路补偿 | Cs | 7、8 | 电流采样端 |
| ·芯片超低工作电流、过热调节功能 |
|
|
|
| 典型应用方案 | |||
![]() | |||
应用极限参数(Note1) | |
特性参数 | 范围 |
Vcc – Gnd | -0.3V ~ 30V |
Ovp - Gnd | -0.3V ~ 9V |
Vc- Gnd | 0.3V ~ 600V |
Cs - Gnd | 0.3V ~ 9V |
工作温度范围 | -40℃ to +125℃ |
结温范围 | -40℃ to +150℃ |
存储温度范围 | -60℃ to +150℃ |
静电保护人体模式 | 2000V (Note2) |
静电保护机器模式 | 500V |
注(1);最大极限值是指超出该工作范围,芯片有可能损坏。推荐工作范围是指在该范围内,器件功能正常,但并不完全保证满足个别性能指标。电气参数定义了器件在工作范围内并且在保证特定性能指标的测试条件下的直流和交流电参数规范。对于未给定上下限值的参数,该规范不予保证其精度,但其典型值合理反映了器件性能。
注(2);温度升高最大功耗一定会减小,这也是由TJMAX, θ JA,和环境温度TA所决定的。最大允许功耗为PDMAX = (TJMAX - TA)/ θ JA 或是极限范围给出的数字中比较低的那个值。
注(3);人体模型,100pF 电容通过1.5KΩ 电阻放电。
CYT8538S功能模块图-内部结构框图

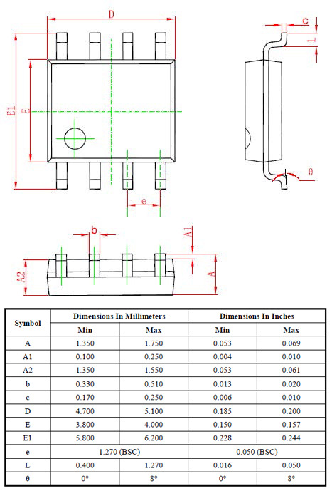
SOP-8封装说明:

功能模块图
1、电路启动
当系统上电之后,输入电压Vcap通过启动电阻R1对电容C1进行充电。当电容电压Vcc达到芯片启动电压Vcc_on,芯片内部控制电路开始工作。CYT8538S内置12V稳压管,用于钳制电源电压,无需辅助绕组或反馈供电。
2、输出恒流设置
芯片内部采用逐周期检测电感峰值电流,CS端连接到内部的峰值电流比较器输入端,与内部基准电压进行比较,从而控制功率管开关。
3、电感计算
本芯片工作在电感电流临界模式,一个工作周期的起始和结束点电感电流均为零。所以,电感峰值电流是输出电流的两倍
4、保护功能
当LED开路时,系统自动触发过压保护并停止开关工作,进入打嗝模式。开路保护电压可以通过Ovp管脚来调节。一旦根据系统需求设定了输出过压保护点...
5、CYT8538S设计技巧
在设计CYT8538 PCB板时,遵循以下原则会有更佳的性能:
Vcc旁路电容应尽量紧靠芯片Vcc和Gnd引脚。
缩小功率环路的面积,如变压器主级、功率管以及反馈电阻间的环路面积可以有效减小EMI辐射。
CS采样电阻的地线与地线尽量靠近,可以有效降低耦合噪声,提高采样精度。
更多设计方法,请参考:《CYT8538设计工具》




聚泉办公环境缩影 |
|
聚泉鑫科技实力 |
|
半导体包装示意图 |
|
合作代理证(部分) |
|
买家须知 |
|
联系方式 |
|



| |||||||||||||||||||||||||||||||||||||||||
| 超级快车【宝贝推荐】 | |||||||||||||||||||||||||||||||||||||||||
