金属管浮子流量计   
智能金属管浮子流量计 一、产品概述 金属管浮子流量计是工业自动化过程控制中常用的一种变面积流里测量仪表。它具有体积小,检测范围大,使用方便等特点。它可用来测量液体、气体以及蒸汽的流量,特别适宜低流速小流量的介质流量测量。
  
智能金属管浮子流量计有就地显示型和智能远传型,带有指针显示瞬时流量,液晶显示瞬时和累积流量,上、下限报誉输出,脉冲输出,标准的二线制4- 20m A电流输出,Hart协议输出,ModBus协议输出等多种形式,为用户使用提供了非常广阔的选择空间。另外该仪表采用先进的16位微处理器及高质量工业化组件,保证了流量计在各种应用场所的优良性能。
  
根据测量管结构的不同,该金属管浮子流量计分为下进上出、下进上横出、下横进上横出、右进左出、左进右出型、上进下出型,可根据用户不同要求选择不同的测量管形式。在此基础上,各种形式的测量管配上具有智能金属管浮子流量计指示器,即可构成智能金属管浮子流量计.
 
多年来,金属管浮子流量计的各种优良性能和可靠性,以及较好的性能价格比,广泛受到了石化、钢铁、电力、冶金、轻工、食品、制药、水处理等行业的青睐。
 
二、结构原理 1.结构 本系列金属管浮子流量计执行中国JB/T 6844-1993国家标准。产品主要由两大部分组成:测量管和指示器。测量管包括锥管或孔板、导向器、止动器、浮子等部件,指示器包括磁随动系统、指针、刻度盘、线路板(远传)等组件。
 
2工作原理 被测介质自下而上流经测量管浮子时上下端产生差压形成上升力,当浮子所受上升力大于浸在流体中浮子重量,浮子便上升,环隙面积随之增大,环隙处流体流速迅速下降,浮子上下端差压降低,作用干浮子的上升力随着减小,直到上升力与漫在流体中浮子重量平衡时,浮子便稳定在某一位置,浮子位置的高低即对应着被测介质流量的大小。  
浮子内置磁钢,在浮子随介质上下移动时.磁场随浮子的移动而变化。 a就地型,由就地指示器中的随动磁钢与浮子内磁钢A合,而发生转动,同时带动指针,通过刻度盘指示出此时流量大小。(如图所示)

b.智能远传型,由智能型指示器中的随动磁钢与浮子内磁钢耦合,而发生转动,同时带动传感磁钢及指针,通过磁传感器将磁场变化转化成电信号,经A/ D变换、数字滤波、温度补偿、微处理器处理、D/ A输出、LEI〕液晶显示,来显示出瞬时流量及累积流量大小。





主要特点 ·可测量气体、液体、蒸汽流量 ·口径:DN15-DN200 ·测量范围:1 L/h一200m\'/h(水) 0.03一3000m3/h(空气) ·量程比:10:1 ·本安防爆:ExiaIICT5 ·隔爆型:ExdIIBT6 ·精确度:1%-1.5%F.S ·压力等级:<32MPa ·介质温度:-40\'C一450\'C ·可输出:4一20mA. Hart, ModBu协议 ·带报警、批次处理功能.触点输出 ·电池供电型可连续工作三年 ·适用于小口径和低流速介质流量测量 ·工作可靠,维护量小,寿命长 ·对于直管段要求不高 ·较宽的流量比10:1特殊型:20:1 ·双行大液晶显示,可同时显示瞬时流量和累计流量,可带背光 ·单轴灵敏指示 ·非接触磁耦合传动 ·全金属结构,适于高温、高压和强腐蚀性介质 ·可用于易烟、易爆危险场合 ·可选二线制、电池、交流供电方式 ·多参数标定功能 ·带有数据恢复,数据备份及掉电保护功能






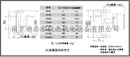
技术参数 ·测量范围: 水(20℃) 1一200000L/ h 空气(20℃,0.1013Mpa 0.03- 3000m3/ h 参见流量表,特殊流量可订制 ·量程比:标准型10:,特殊型20:1 ·精确度:标准型,.三级特殊型10.级 ·压力等级:标准型:DN15- DN50 ≤4.0MPa DN80-DN200≤ 1.6MPa ·特殊型: DN15-DN50≤32MPa DN15-DN50≤16MPa ·夹套的压力等级为1.6MPa特殊型在选型和订货前应与工厂协商 ·压力损失:7KPa—70KPa ·介质温度:标准型: -40℃一+100℃ PTFE: 0℃一+100℃ ·高温型: 110℃一+450℃ ·环境温度:远传型: -40℃一+85℃(液晶不会损坏),液晶正常工作在-30℃一+80℃ ·就地指针型: -40℃一+100℃本安及隔爆型: -30℃一+60℃ ·连接形式:标准型:D N2501标准法兰 ·特殊型:由用户指定的连接方式 ·电缆接口:隔爆型为1/2NPT内螺纹,其它M20*1.5内螺纹 ·供电电源:标准型:24VDC二线制4- 20mA (12VDC一32VDC) ·报警型: 24VDC二线制4- 20mA (18VDC一28VDC) ·负载特性: 二线制:RLrnax=50 ·多线制:最大负载电阻为500Ω ·报警输出:上限或下限瞬时流量报警 ·干簧管开关量报警(触点容量1A@ 30vDC) ·继电器输出(触点容量1A@30vDC或O.25A@250vDC或0.5A@125vDC交流 ·脉冲输出:累积脉冲输出,最小间隔50毫秒(集电极开路输出出,最大带载100mA@ 30VDC,内部阻抗100Ω) ·液晶显示:瞬时流量显示数值范围:()-50000(可带小数点) ·累积流量显示数值范围:()-99999999(可带小数点)自动复位 ·防护等级:IP65 ·防爆标志:本安型ExeII CT5 隔爆型ExdIIBT6 ·隔爆型使用区域:爆炸危险场所为,1区、2区,具有IA.IB类T1-T6组爆炸性气体或蒸气混合物的场所 ·仪表安装高度:DN15-DN200标准型垂直高度250mm >DN80高压型仪表高度350mm
  
一、概 述 LZ 型系列金属管浮子流量计,采用可变面积式测量原理,适用于测量液体,气体。全金属结构,有指示型、电远传型、耐腐型、高压型、夹套型、防爆型。具有 0-10mA , 4-20mA 的标准模拟量信号输出和现场指示。累积,数字通讯,现场修改测量参数,不同的供电方式功能,带有磁 性过滤器和特殊规格品种。广泛应用于,石油、化工、发电、制药、食品、水处理等。复杂,恶劣环境条件,及各种介质条件的流量测量过程中。 测量范围: 0.07-800 ( m3/h ) 二、原 理 浮子在测量管中,随着流量的变化,将浮子向上移动,在某一位置浮子所受的浮力与浮子重力达到平衡。此时浮子与孔板(或锥管)间的流通环隙面积保持一定。环隙面积与浮子的上升高度成正比,即浮子在测量管中上升的位置代表流量的大小,变化浮子的位置由内部磁铁传输到外部的指示器,使指示器正确地指示此时的流量值。这就使得指示器壳体不和测量管直接接触,因此,即使安装限位开关或变送器,仪表可用于高温,高压工作条件下。
LZ 特点 测量部分: 1 、坚固的全金属结构设计型浮子流量计 2 、采用独立 mnodular 概念设计的测量管指示器 3 、可选择不锈钢、哈氏合金、钛材、 PTFE 材料测量系统 4 、低压力损失设计 5 、短行程、小型结构设计、仪表总高度 250 6 、磁性耦合结构确保数据传输、信号更加稳定 7 、保温或伴热夹套 8 、垂直、水平、各种安装方式更适合不同使用场合
LZ 流量计可选配 M7 或 M9 指示器: 在 M7 中采用磁性耦合,跟踪磁铁的角位移径由一个曲线板机构把被测流量值线性地反映在刻度面板上。采用 KW5-1 或 ESK 信号转换器,准确地将流量值转换成 0-10mA 或 4-20mA 电流信号,上、下限报警开关。 在 M9 指示器中采用一块耦合磁钢完成流量指示,电信号转换和控制流量波动而设计的阻尼功能,采用全金属不锈钢表壳,使仪表运行更安全,更适应恶劣、复杂的环境条件。 采用模块组合设计,可在现场快速的给仪表增加电信号输出,上、下限开关,流量累积功能。各功能单元板为插装结构具有更换部件简单,方便,定位准确的特点。解决了老型产品由于各环节的人为因素而产生的故障以及至使仪表更换部件后精度降低的缺陷,仪表的可靠性得到很大的提高。 采用最新型的 ESK 信号转换器,可用 PC 机或 HART 通讯器现场进行技术参数的重新设定。 可在就地流量指示型仪表内选择安装: 一、带有 KW5-1 型线性指示输出 0-10mA 、 4-20mA 标准信号(本安型) 二、带有 4-20mA 线性输出和 HART 协议并无磁滞后的 ESK 信号转换器(本安型) 三、带有6位 LED 显示的流量累计单元板 四、带有上限、下限报警开关的单元板 |