
工业插头、插座、耦合器系列产品广泛应用于钢铁冶炼、石油化工、电力、电子、铁路、建筑工地、
机场、矿山、采矿地、给排水处理厂以及港口、码头、商场、宾馆等各类工矿企业和作为国外引进设备
电源、接插件的配套和维修设备,是新一代的理想电源装置。公司以可靠的质量、优质的服务将给您带
来更好、更安全的用电保障。
工业防水插头插座的使用:
产品具有良好的插拔受力和良好的接插接触,保证在使用的过程中起到很好的安全性。和插座配套使用,具有防尘、防水、防溅、防潮、防腐、防误插、防脱落、防阻燃、耐高温,抗老化,韧性大,抗冲击性好,光洁度高以及大电流软接触的优点,深受国内外客户的认可。
产品被广泛应用于钢铁冶炼、石油化工、电力、电子、建筑工地、机场、矿山、给排水处理厂、塑料机械、IT、军工、铁路、航天、医疗、食品、自动化生产设备、包装设备、隧道工程、发电机组、配电柜、室外运动场输配电设备、户外显示屏、舞台灯光及音响以及港口、码头、商场、宾馆等各类企业,为专用环境的各类用电设备提供安全保障,是新一代的理想电源接插装置。可靠的产品,优质的服务,将给您带来更安全的用电保障。
产品特性:
产品外壳采用了优质的尼龙66材质,具有抗腐蚀、高强度及高阻燃特性;插件部分采用了铜3602材质,拥有极佳的高弹性和导通性。该类产品非常适合在环境恶劣的工作条件下进行电源连接。
产品经过沙尘试验、淋雨试验、高低温试验、灼热比试验插拔力试验,为了达到高质量目标,我们通过并运行了ISO 9001标准的国际质量管理体系。
所有的产品都分为二种防护等级:一种是IP44防水溅水,另一种是IP67可以在非常潮湿的地方使用。





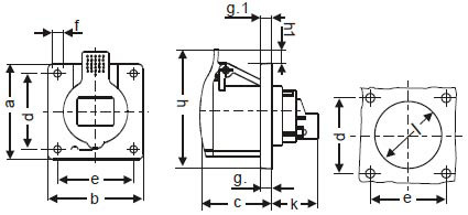
产品详细信息:
| 电流 | 极数 | 110V 50a.60Hz | 230V 50a.60Hz | 400V 50a.60Hz | 500V 50a.60Hz | >50-500 100-300Hz | >50-500 a.300-500Hz | 包装单位 | 重量 |
3极 4时 | 4极 4时 | 5极 4时 | 3极 6时 | 4极 9时 | 5极 9时 | 3极 9时 | 4极 6时 | 5极 6时 | 3极 7时 | 4极 7时 | 5极 7时 | 3极 10时 | 4极 10时 | 5极 10时 | 3极 2时 | 4极 2时 | 5极 2时 |
| 32 | 3 | | SP1395 | | | | | | |
| 接地点位 | 6h |
| 额定电流(A) | 32 |
| 极 | 3 |
规格(mm) | a b c d e f g. g.1 h h1 k l | 75 75 54 60 60 5.5 8 2 89 12 32 62 |
| 导线横截面积(mm2)从最小至最大 | 2.5-10 |
| 快递服务 |
 |
| 客户需知 |
 |

















