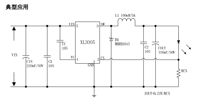
XL3005是一款恒流型LED驱动器,可工作在DC8V到36V输入电压范围,低纹波,内置功率MOS。XL3005内置固定频率振荡器与频率补偿电路,简化了电路设计。 PWM 控 制 环 路可以调节占空比从0~100%之间线性变化。内置输出过电流保护功能,当输出短路时,开关频率从220KHz降至60KHz。内部补偿模块可以减少外围元器件数量。
特点
8V到36V宽输入电压范围
0.21V输出电流采样电压
最大占空比100%
最小压差0.3V
固定220KHz开关频率
最大5A开关电流
内置功率MOS
出色的线性与负载调整率
内置频率补偿功能
内置输出短路保护功能
内置热关断功能
内置电流限制功能
TO263-5L封装
应用
恒流驱动
显示器LED背光
通用LED照明


公司地址:深圳市宝安74区怡园路5173号润丰源商务大厦A栋405
财富热线:13808851620(奉小姐) QQ:2880603815
网 站: