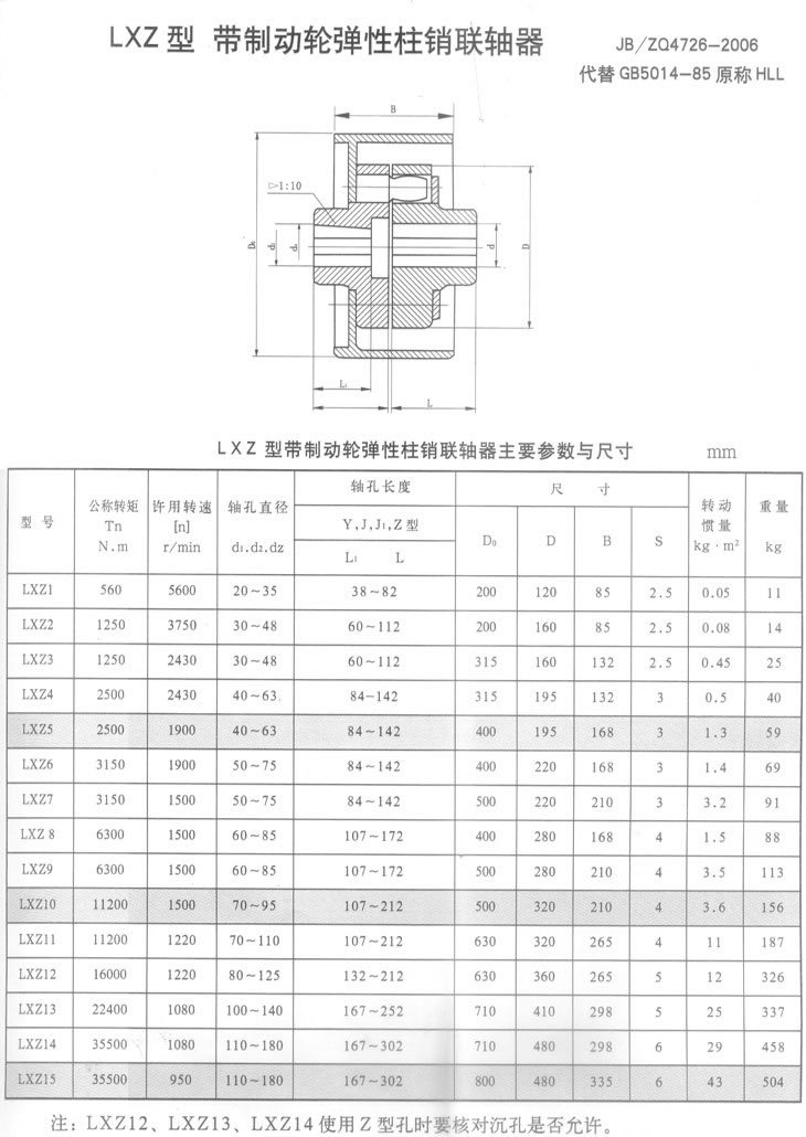
弹性柱销联轴器的特点 ●本联轴器已列为国家标准GB5014-85,适用于各种机械联接两同轴线的传动轴,通常用于动频繁的高低速运动。工作温度为-20 ~+80℃;传递公称扭矩为40~20000N.m。 ●弹性柱销联轴器具有较大结构简单、合理,维修方便、两面对称可互换,寿命长,允许较大的轴向窜动,具有缓冲、减震、耐磨等性能。 ●轴孔型式有圆柱形(Y)、圆锥形(Z)和短圆柱形(J)。轴孔和键槽按国家标准GB3852-83《联轴器轴柱和键槽形式及尺寸》的规定加工。半联轴器采用精密铸造,铸铁HT20-40、铸钢ZG35Ⅱ,轴孔和键槽采用拉制成型,柱销采用MC尼龙b制成。 ●弹性柱销联轴器是利用若干非金属弹性材料制成的柱销,置于两半联轴器凸缘孔中,通过柱销实现两半联轴器联接,该联轴器结构简单,容易制造,装拆更换弹性元件比较方便,不用移动两半联轴器。弹性元件(柱销)的材料一般选用尼龙,有微量补偿两轴线偏移能力,弹性件工作时受剪切,工作可靠性极差,仅适用于要求很低的中速传动轴系,不适用于工作可靠性要求较高的工况。 |