'
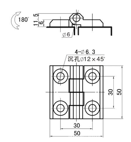
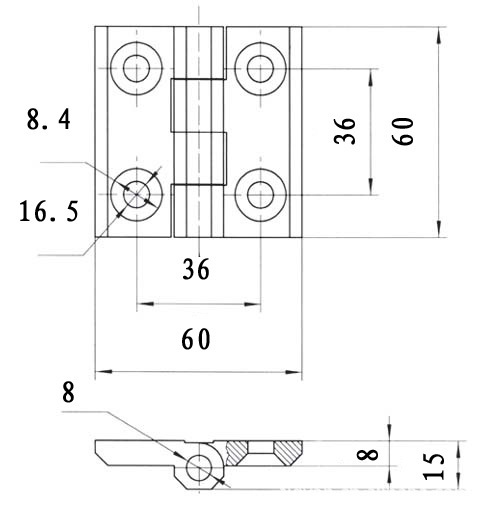
友航专业生产不锈钢,高低碳钢,合金钢等材质。公司提供工业铰链,合页,锁具配件,冷库门,烤箱门把手。全部采用不锈钢304材质,尺寸规格有:40*40*5(5mm厚), 50*50*6(6mm厚),60*60*6(6mm厚),可提供毛坯,成品;质量可靠,量大从优,欢迎来图来样开模铸造或采购
联系人:张小姐180057629030,QQ:18005762930
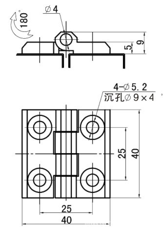
产品名称:不锈钢工业电柜合页铰链 不锈钢铰链、自动化设备铰链、重载型平接合页
产品型号:HY40S
产品特点:1.最大开启角度180度
2.多种型号可选
3.左右兼用型
产品规格:材质为不锈钢(SUS304)
表面处理为镜面抛光
40*40*5mm厚
产品用途:船舶、特种车辆、工业箱体
交 货 期:常规产品...敬请垂询
备 注:也可焊接安装


相关的不锈钢工业柜合页铰链图片如下:















铰链的定义:
铰链又称合页,是用来连接两个固体,并允许两者之间做转动的机械装置。铰链可能由可移动的组件构成,或者由可折叠的材料构成。
铰链的材料:
铰链用的材料有多种,但主要是不锈钢、锌合金及冷轧板这三种,工业用铰链材料主要是不锈钢及锌合金这两仲,也有少部分冷轧板材料的,由于工业铰链在使用性能及使用环境上要求比较高,所以对其材料及加工工艺各方面的要求也相对较严格,紧不锈钢材料按照不同的工作要求就有201不锈刚、306不锈钢及304不锈钢。当然工业铰链在各方面的性能和质量都远比普通铰链要好得多。
铰链的表面处理:
铰链的表面处理也好多种方式,按照不同材质的铰链有不同的表面处理方式,不锈钢材质的表面处理有镜面抛光、表面拉丝等;锌合金材质的铰链表面处理一般有镀锌(镀白镀、镀彩锌)、镀亮铬、镀珍珠铬、亚光铬、麻面黑、黑色烤漆等,我们也可以根据客户的要求做不同的表面处理。
铰链的挑选:
1、看外观、拿多几个铰链观看,看铰链的样子是否大致保持一至,很多差的铰链厂生产出来的铰链这里黑那里黄的,电镀不稳定,电镀层薄,这样就容易生锈。
2、拿着铰链的铁杯,慢慢的像关门的样子关闭铰链,记得一定要慢,你如果感觉这铰链很顺,没有阻碍,连试几个都是很顺,那么这铰链的产品初步来说就合格了。如果你发觉中间有阻碍或有响声,甚至两者兼顾,那你就要小心这铰是否有质量问题了。
3、装上门后,稍为用力的向下压一下,看铰链的受力情况如何,如果容易下沉,且较严重,那你就要小心以后门板会出现不对称的现像了。
4、用专业的疲劳测试机测试其耐用性,用盐雾测试议器测试其防锈性。这就不是一般消费者所能够达到的了。
大量订购,价格从优!
'