温馨提示:产品价格仅供参考,欢迎在线或来电咨询!
若不经协商直接下单,恕不发货!谢谢!
方案资料以及样品申请QQ:825204258
芯联一级代理商,最优惠的价格,大量的原装现货
提供全面开关电源,LED驱动电源方案及IC
1.开关电源方案:
CL1630(6级能效),CL1620(6级能效),CL1600(6级能效),
CL1100,CL1101,CL1105,CL1107,CL1118,CL1120,CL1125,CL1126,CL1127,
CL1129,CL1131,CL1132,CL1152,CL1858,CL1056D,CL1810,CL6562.
2.LED驱动电源方案:
1)隔离方案:
1-3W CL1219, SOP8
3-5W CL1221, SOP8
4-7W CL1223, SOP8
8-12W CL1226, DIP8
12-15W CL1225, DIP8
12-20W CL1224,DIP8
9W CL1313(高PF值),
<80W CL1360(高PF值),
30W CL1240(带4级调光)........
2)非隔离方案:
10W,电流<200mA CL1501, SOP8
20W,电流<260mA CL1502, S0P8
24W,电流<300mA CL1503S, SOP8
36W,电流<350mA CL1503, DIP8
3W 45mA CL1520(钨丝灯方案),
<80W 电流<2A CL1550(高PF值),
24W 电流<300mA CL1553 (高PF值),
10W 电流<60mA CL1570(线性),
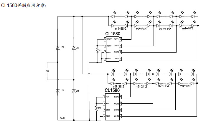
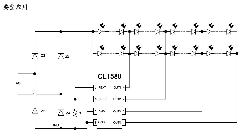
20W 电流<100mA CL1580(线性)....
3.DC-DC方案:
1).MR16方案:
CL6807,CL6808,CL6809.....
2).手电筒方案:
CL0117,CL0118,CL0156
3).太阳能草坪灯方案:CL0116A,CL0119A
4).3串9并白光LED:CL6201
4.消费性LDO/DC-DC:
CL9901,CL9904,CL9193,CL9951,
CL8601,CL8805,CL8807,CL8808.....
5.小家电方案:
1)单功能多士炉:CL0130
2)多功能多士炉:CL0135
3)固定12V输出电源方案:CL1900