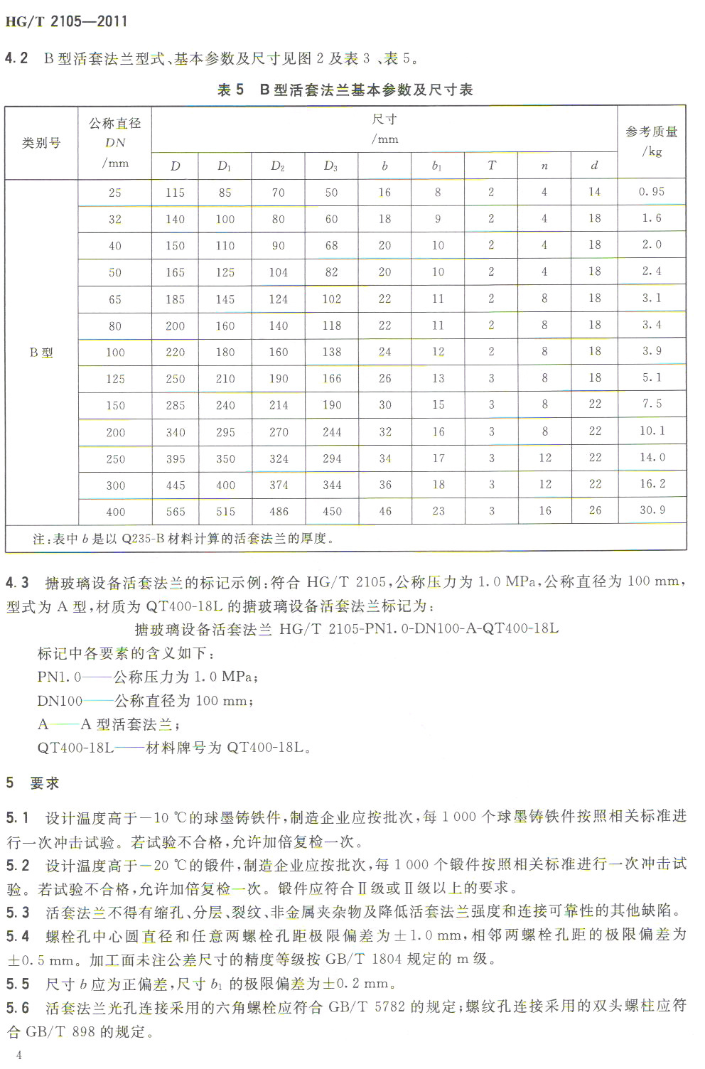
'
反应釜专用 国标DN型活套法兰


淄博三赢减速机有限公司:在2009年3月,由淄博张店南光化工设备厂投资百万元成立,占地5000平米,位于山东省淄博市科技工业园。
主营产品:ZLZ型号减速机、ZLD型螺旋锥齿减速机、RF硬齿面斜齿轮减速机、DJ、SJ、WJ机架、搪瓷法兰、罐卡子、石棉垫等产品,在农业、医药、化工、机械行业有广泛应用。
机器设备:车床11台、数显卧式铣镗床1台、磨床1台、牛头刨床1台、铣床2台、摇臂钻床2台、压力机5台等设备。
客户群体:山东、羊口化工园区、上海化工园区,天津、江苏、安徽、江西、山西、河南、内蒙古。
生产能力:1000万-1500万元/年,现货供应,亦可按照客户要求定制。

产品优势:DN多型号法兰,采用镀锌工艺,耐高温、耐腐蚀等特性。材料为45号碳结钢锻造制成,品质稳定。符合国家HG/T 2105-2011标准。











公司地址:山东省淄博市科技工业园崛起路13号
联系电话:13853369345 何先生
电子邮箱:13853369345@163.com
电话传真: 0533-3818237
'