更多
6431气缸附件YB-32,斜支架安装件,CR-32,DNC,SE气缸附件
不限
点此议价
产品属性
图文详情
品牌推荐
品牌
梓耀
型号
ISO-YB-32
类型
ISO6431标准
加工定制
材质
YL113ADC12;383
公称压力
1MPa
适用温度
-10~60℃
适用介质
空气
安装形式
螺丝联接
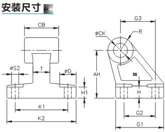
外形尺寸
dia.32mm
重量
0.11kg
适用气缸缸径
dia.32mm
最大抗拉(N)
5800
五金零部件、配件、备品备件 > 气动元件 > 其他气动元件 >
马可波罗版权所有1999-2020