



一、立式振动电机特点
⒈激振动力与功率配合得当,振动力大,机体重量轻,体积小,机械噪音低。
⒉因为振动电机是强阻型振动而不是共振,所以有稳定的振幅。
⒊振动频率范围大。电磁式激振器的振动频率是固定的,一般等于电源步率,而振动电机的振动频率可通过调整转速的办法进行大范围的调整,并且能按照不同的通途任意选择振动频率和振幅。
⒋受电源波动的影响小,电磁式激振器会由于电压变化而引起激振力发生大的变化,但振动电机中,这种变化就非常小。
⒌多机组合,可实现自同步能完成不同工艺要求。
⒍可根据振动电机的安装方式改变激振力的方向。
⒎只须调整偏心块的夹角,就可无级调整激振力和振幅。
⒏维护保养简单,由于不像电磁式那样使用弹簧,因此类似间隙调整,重量调整等维修工作可以免除,仅需要定期维修轴承。
⒐规格齐全,能满足各类振动机械的工作需要。
二、产品系列
1、YLJ、YLJO、YLJF、YLJD、YLJT、YLEJC、YLEJF系列三相异步力矩电机。
2、XJD、YZS、JZO、YZVP系列三相异步振动电机。
3、YEJ、YDEJ系列三相异步电磁制动电机。
4、YVP、YZPBF、YZPBEJ系列变频调速电动机及起重冶金专用变频调速电机。
5、YD、YDT、YZD、YZTD系列多速及塔吊专用电动机。
三、YZU系列振动电机使用条件:
环境温度:-20℃~+40℃
海拔:<1000 m
电压:380 V
接法:Y/△
绝缘等级:B级或F级
电源频率:50 Hz
工作方式:连续
安装方式:任意方向
振动加速度:不超过20G(G为重力加速度);
环境温度:-20℃--40℃(超过40℃应降低功率使用);
主机激振功率:不超过铭牌的规定,(否则应降低激振力使用);
地理位置:海拔不超过1000米,(如超过1000米,但不超过4000米时,每增加100米,额定温度限值应降低0.5℃)。
额定温升:65℃额定电压:380V额定频率: 50HZ 绝缘等级:B
相 数:3 接法:Y/△ 工作方式:连续(S1) 安装方式:任意方向 防护等级:IP55具体资料


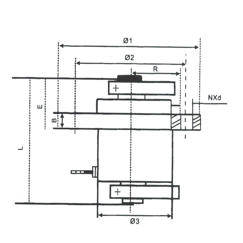
型号 | 最大激振力 | 同步转速 | 功率KW | 电流A | 安装及外形尺寸(mm) |
φ1 | φ2 | φ3 | B | N*D | L | E | R | 备注 |
YZUL-3-4 | 3000 | 1500 | 0.18 | 0.6 | 230 | 200 | 160 | 20 | 4*φ11.5 | 280 | 100 | 285 | 上法兰 |
200 | 130 | 中法兰 |
YZUL-5-4 | 5000 | 1500 | 0.25 | 0.74 | 245 | 210 | 170 | 22 | 6*φ11.5 | 320 | 120 | 135 | 上法兰 |
220 | 155 | 中法兰 |
YZUL-8-4 | 8000 | 1500 | 0.55 | 1.5 | 275 | 235 | 195 | 24 | 6*φ14 | 380 | 150 | 140 | 上法兰 |
240 | 195 | 中法兰 |
YZUL-10-4 | 10000 | 1500 | 0.75 | 1.85 | 315 | 265 | 225 | 34 | 8*φ18 | 460 | 165 | 160 | 上法兰 |
270 | 225 | 中法兰 |
YZUL-15-4 | 15000 | 1500 | 1.1 | 2.58 | 315 | 265 | 225 | 34 | 8*φ18 | 470 | 170 | 180 | 上法兰 |
270 | 224 | 中法兰 |
YZUL-30-4 | 30000 | 1500 | 1.5 | 3.6 | 375 | 315 | 372 | 34 | 8*φ22 | 490 | 180 | 200 | 上法兰 |
320 | 235 | 中法兰 |
YZUL-50-4 | 50000 | 1500 | 2.2 | 5.1 | 440 | 380 | 325 | 36 | 8*φ26 | 560 | 260 | 235 | 中法兰 |



销售热线:0373-5858790/15516536043
传真:0373-5858791
邮箱:xxkh968@163.com
QQ:2453372289
联系人:朱女士