更多
常州苏泰 专业步进电机生产厂家 步进驱动器 3DM2250驱动器
1台起批
¥
1.00
点此议价
常州苏泰电器有限公司
常州市武进区武进高新区鸣凰沟南工业园
全部商品
查看联系方式
产品属性
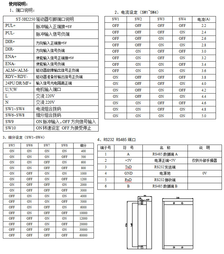
图文详情
品牌推荐
'
'
厂家直销20混合式步进电机 机身长17mm~39mm 力矩50g.cm~300g.cm
¥120.00元
厂家直销35系列步进电机 机长20~44mm 静力矩0.5kg.cm~2.5kg.cm
¥70.00元
常州苏泰 专业步进电机生产厂家 步进驱动器 ST-26H驱动器
¥1.00元
常州苏泰 专业生产步进一体机 拥有国家专利技术 42H 57H一体机
¥1.00元
常州苏泰 专业电机驱动一体机生产厂家 拥有多项国家专利技术
¥1.00元
常州苏泰 专业步进电机生产厂家 86H行星减速步进电机 减速电机
¥1.00元
电气与能源设备
>
电动机/电机
>
微电机
>
获取验证码
允许同品行业优质供应商联系我
您对此产品的咨询信息已成功发送给相应的供应商,请注意接听供应商电话。
对不起,您对此产品的咨询信息发送失败,请稍后重新发起咨询。
关闭
登录
|
注册
首页
|
我的马可
触屏版
电脑端
马可波罗版权所有1999-2020