

高品质是我们的追求,客户满意是我们的承诺!

产品描述:
SN8P2602C的IC结构一流,包括大容量(1K-word)的程序内存(OTP ROM),48-byte的数据存储器(RAM)。1个8位基本定时器(T0+RTC),1个8位定时/计数器(TC0),1个看门狗定时器,3个中断源(T0, TC0, INT0),1信道可程序PWM,1信道2K/4K buzzer output (P5.5),40mA 高汲入电流GPIO pin (P5.0~P5.3, P5.5),4层堆栈缓存器。此外用户还可以自行选择振荡模式,SN8P2602C提供4种不同的振荡器模式给系统作为系统时钟,包括外部高/低速晶体振荡器、陶瓷谐振器、外部 RC振荡器作为系统时钟,一个内部16MHz RC振荡器和一个由程控的低速RC振荡器作为低速模式的时钟源。
特点:
• OTP ROM:1K * 16bits
• RAM:48 * 8bits
• 4层堆栈缓存器
• 双向输入输出:P0, P1, P5
• 内部上拉电阻:P0, P1, P5
• 内部下拉电阻:P5.0~P5.3
• 40mA高汲入电流GPIO pin:P5.0~P5.3, P5.5
• 可编程开集极输入输出:P1.0
• 具有唤醒功能的引脚:P0, P1
• 1个外部中断:P0.0 (INT0)
• 2个内部中断:T0, TC0
• 8位的基本定时器:T0
• 8位的计数/定时器,可程序化的PWM: TC0
• 1通道2K/4K buzzer output:P5.5
• 一个内置看门狗定时器
• 内部高速时钟:16M Hz RC振荡器
• 外部高速时钟:晶体 最大16MHz / RC 最大10MHz
• 内部低速时钟:RC振荡器,16KHz/3V, 32KHz/5V
• 1个clocks 为1个指令周期
• 大多数指令周期为一个指令周期
• 查表功能(MOVC)可寻址整个ROM区
产品结构方框图:
产品引脚定义图:

封装外形尺寸(DIP-18直插):
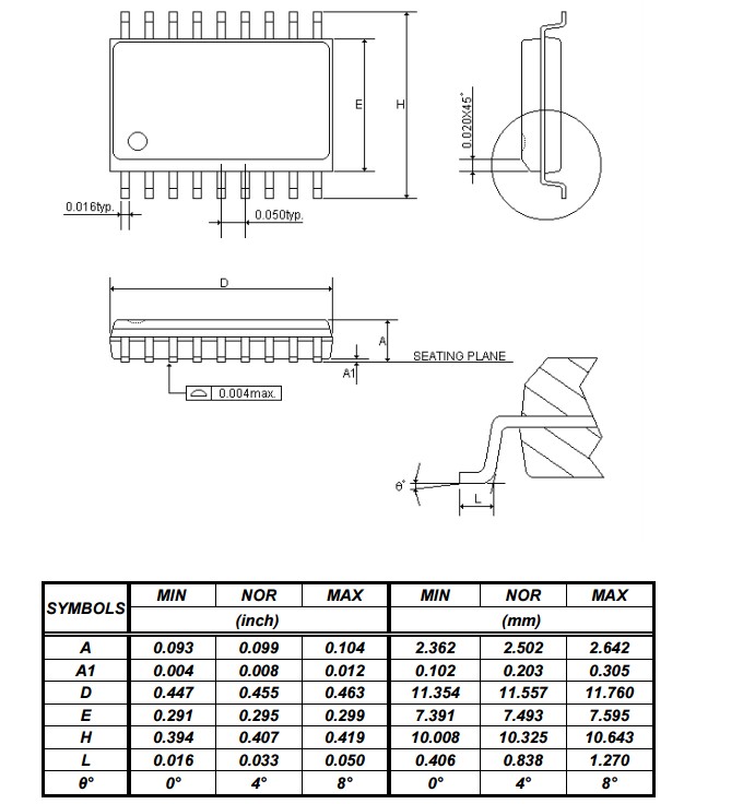
封装外形尺寸(SOP-18贴片):

松翰SN8P2602C(系列应用封装)



松翰仿真机(外观)
松翰烧录器(外观)





三证合一:

原装正品,质量保证,正规发票!








