特点 Features
○ 芯片与底板电气绝缘,2500V交流电压;
○ 国际标准封装;全压接结构,优良的温度特性和功率循环能力;
○ 350A以下模块皆为强迫风冷,400A以上模块,风冷、水冷选用。
○ 交直流电机控制,各种整流电源;
○ 工业加热控制,调光,无触点开关;
○ 电机软起动,静止无功补尝;
○ 电焊机,变频器,UPS电源;
○ 电池充放电。



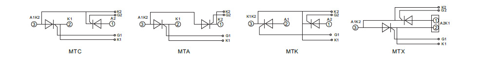
晶闸管模块(MTC,MTX,MTA,MTK,MT,SKKT) THYRISTOR MODULE(MTC,MTX,MTA,MTK,MT,SKKT)
典型电路电联结型式

规格参数
