东莞凌格自动化专业从事气动元件真空吸盘、真空发生器已有近十年的经验,我们自主研发的这一款吸盘吸嘴PUTSB-80-50-N质量保证.
吸盘组是由一个PUG-80-N吸盘与金具组合的 带缓冲 在吸表面不平工件的过程中起到保护工件,方便安装,节约空间作用,吸工件不留有任何痕迹 漂亮、完美 刘经理 QQ:271175922
凌格吸盘.交期短,普通交期为10天,急件5天即可完成。
凌格吸盘质量、性能与欧美日同款产品相媲美。

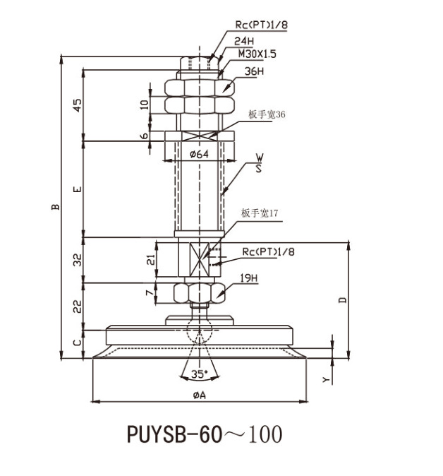
PUTSB&PUYSB缓冲式金属配件吸盘具备特点:
1.平行万向功能,适合吸表面不水平的工件
2.吸盘尺寸有10mm-200mm多种可选
3.吸盘材质有:丁氰橡胶,硅胶,导电硅胶等.
4.缓冲行程有4mm-100mm多种可选
5.真空气管方向横向和纵向两种可选
6.气管接头为快速接头
重庆搬送玻璃PUTSB-80-50-N专用摇摆吸盘
PUYSB-80-50-N妙德吸盘_摇摆吸盘带缓冲侧面接管真



















温馨提示:
由于我司在阿里巴巴及线下均有销售,故所有产品库存数量有变动,拍前敬请联系客服确认是否有现货及货期,以及实际成交价格,以免产生不必要的麻烦!!!
需要了解更多详情欢迎来电咨询,联系方式如下:
联系人:刘先生
订购热线:13539018696
QQ:271175922
