接近开关 PL-05N 狮威电器有限公司 lionpower


PL系列(PL-05N,PL-05P) W05系列(W05-N,W05-P)
产品系列
| 产品系列 | | 型号 | 产品特性 | 感应距离 | 外壳颜色 | 价格(元) | | | | | | | | | | PL-05N | 电感式 NPN输出 直流三线常开型 | 5mm | 红色 | 18 | | PL-05P | 电感式 PNP输出 直流三线常开型 | 绿色 | 18 | | | | | | |
技术参数 | 种类 | 直流三线式 | 交流两线式 | | 型号 | SN04-N SN04-N2 | SN04-P SN04-P2 | TL-Q5MC1 TL-Q5MB1 | PL-05N PL-05P | W-05N W-05P | SN04-Y | | 外型尺寸MM | W18*H18*D36 | W18*H18*D36 | W17*H17*D28 | W18*H18*D36 | W18*H10*D30 | W18*H18*D36 | | 工作电压 | DC10-30V | AC90-250V | | 约定距离 | 0-4MM | 0-4MM | 0-5MM | 0-4MM | | 设定距离 | 0-3.2MM | 0-3.2MM | 0-4MM | 0-3.2MM | | 检测物体 | 磁性金属(非磁性金属检测时距离减少) | | 工作环境 | -20℃~+70℃ | | 绝缘强度 | AC 1000V 1min(At 50/60Hz) | | 绝缘电阻 | ≥100MΩ (At DC 500V) | | 动作频率 | ≤300Hz | ≤5Hz | | 防护等级 | IP66(IEC) | | 控制输出 | 纯阻性负载≤100mA,感性负载≤50mA | AC:纯阻性负载≤100mA,感性负载≤150mA | | 回差 | <10%约定距离 | | 压降 | ≤2V (At DC 24V 100mA) | ≤10V At DC 220V 300mA | | 漏电流 | ≤0.5mA (At DC 24V) | ≤0.5mA (At DC 220V) | | 输出导线长度 | 标准长度1.5米 (可定制) |
|
| 产品特点 |
在各类开关中,有一种对接近它物件有“感知”能力的元件——位移传感器。利用位移传感器对接近物体的敏感特性达到控制开关通或断的目的,这就是接近开关。 当有物体移向接近开关,并接近到一定距离时,位移传感器才有“感知”,开关才会动作。通常把这个距离叫“检出距离”。但不同的接近开关检出距离也不同。 有时被检测验物体是按一定的时间间隔,一个接一个地移向接近开关,又一个一个地离开,这样不断地重复。不同的接近开关,对检测对象的响应能力是不同的。这种响应特性被称为“响应频率”。 |
| 产品主要功能 |
1.检验距离 检测电梯、升降设备的停止、起动、通过位置;检测车辆的位置,防止两物体相撞检测;检测工作机械的设定位置,移动机器或部件的极限位置;检测回转体的停止位置,阀门的开或关位置。 2.尺寸控制 金属板冲剪的尺寸控制装置;自动选择、鉴别金属件长度;检测自动装卸时堆物高度;检测物品的长、宽、高和体积。 检测物体存在有否 检测生产包装线上有无产品包装箱;检测有无产品零件。 3.转速与速度控制 控制传送带的速度;控制旋转机械的转速;与各种脉冲发生器一起控制转速和转数。 4.计数及控制 检测生产线上流过的产品数;高速旋转轴或盘的转数计量;零部件计数。 5.检测异常 检测瓶盖有无;产品合格与不合格判断;检测包装盒内的金属制品缺乏与否;区分金属与非金属零件;产品有无标牌检测;起重机危险区报警;安全扶梯自动启停。 6.计量控制 产品或零件的自动计量;检测计量器、仪表的指针范围而控制数或流量;检测浮标控制测面高度,流量;检测不锈钢桶中的铁浮标;仪表量程上限或下限的控制;流量控制,水平面控制。 7.识别对象 根据载体上的码识别是与非。 8.信息传送 ASI(总线)连接设备上各个位置上的传感器在生产线(50-100米)中的数据往返传送等。
|
| 产品应用 |
接近开关在航空、航天技术以及工业生产中都有广泛的应用。在日常生活中,如宾馆、饭店、车库的自动门,自动热风机上都有应用。在安全防盗方面,如资料档案、财会、金融、博物馆、金库等重地,通常都装有由各种接近开关组成的防盗装置。在测量技术中,如长度,位置的测量;在控制技术中,如位移、速度、加速度的测量和控制,也都使用着大量的接近开关。 本公司生产接近开关具有频率响应快、使用寿命长、动作可靠、抗干扰能力强并具有耐振、耐腐蚀、防水性好等特点,产品被广泛用在机械、化工、造纸、轻工等行业作限位、定位、检测、计数、测速等传感用 |
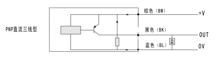
| 产品接线图 |

 图上是接近开关NPN/PNP/交流两线的接线图,该接线图应用于我司生产的的智能计数器上,非我司生产的产品请勿试用,以免损坏仪表,如您购买了我司计数器、接近开关需要接线图,请咨询我们的在线客服人员以取得相应接线图
|
| 联系方式 |
联系电话:0512-55219831 联系手机:18912679901 15962512738(李先生) 传真号码:0512-55219831 腾讯QQ:441009212 |
| 公司简介 |

经营理念——我思我行故我新 狮威电器成立于2000年,是一家独立具有设计、开发、制造自动化控制器材的高科技企业,总部位于全球最具活力的国际制造业名城---广东东莞市,公司拥有5000余平方的生产工厂,引进了进口贴片机、回流焊机、波峰焊机、群脉冲发生器等一整套行业领先的制造和检测设备,狮威以不断创新、高品质设计制造而闻名,目前已发展成为国内综合性最强的自动化工业仪表制造商,为业内公认的首选品牌之一,公司不仅提供高附加值的标准产品,而且还向全球客户量身定制所需产品,产品销往国内二十多个省(市)自治区直辖市,被广泛应用于塑胶机械、线缆设备、印刷机械 、包装机械、纺织印染设备、SMT设备、电源设备、木工机械、制鞋机械等机械设备行业,还远销到欧美、东南亚、中东、非洲、南美或配套设备出口世界各地。 狮威严格按照国际标准开发制造以下产品:智能PID工业调节仪、智能温控表、数字电流表、电压表、功率表、功率因素表、综合电量表、数字面板表、传感器专用数显控制表、频率表、工频表、转速表、线速表、智能计数器、计米器、时间继电器、固态继电器、接近开关、光电开关、旋转编码器、变频器等。 |