一、Q941F-16C铸钢电动法兰球阀DN50电动蒸汽调节球阀产品介绍:
Q941F-25电动法兰球阀是球阀配上电动执行机构,电动执行机构的执行速度相对较快,并且不需要工人亲力亲为,在很大程度上节约了人力资源以及时间。其密封性能优良,流通能力大,流阻系数小,结构简单、维修方便、使用寿命长,阀体通道和连接管径相等并成一直径,介质几乎可以毫无损失的流过。适用介质:水,污水,空气,蒸汽,各种油类,酸类,碱类,盐类等。
二、Q941F-16C铸钢电动法兰球阀DN50电动蒸汽调节球阀执行标准:
1、设计与制造:GB12237-89、API608、API 6D、JPI 7S-48、BS5351、DIN3357。
2、法兰尺寸:JB/T74~90(JB74~90)、GB9112~9131、HGJ44~76、SH3406、ANSI B16.5、JIS B2212~2214、NF E29-211、DIN2543。
3、结构长度:GB12221-89、ANSI B16.10、JIS B2002、NF E29-305、DIN3202。
4、检验主试验:JB/T 9092、API 598。
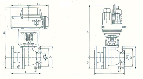
三、Q941F-16C铸钢电动法兰球阀DN50电动蒸汽调节球阀产品外形图:

四、Q941F-16C铸钢电动法兰球阀DN50电动蒸汽调节球阀特点及用途:
1、流体阻力小、球阀是所有阀类中流体阻力最小的一种,即使是缩径球阀,其流体阻力也相当小。
2、止推轴承减小阀杆磨擦力矩,可使阀杆长期操作平稳灵活。
3、阀座密封性能好,采用聚四氟乙烯等弹性材料制成的密封圈,结构易于密封,而且球阀的阀封能力随着介质压力的增高而增大。
4、阀杆密封可靠,由于阀杆只作彷转动运而不做升降运动,阀杆的填料密封不易破坏,且密封能力随着介质的压力增高而增大。
5、由于聚四氟乙烯等材料具有良好的自润滑性,与球体的磨擦损失小,故球阀的使用寿命长。
6、下装式阀杆和阀杆头部凸阶防止阀杆喷出,如火灾造成阀杆密封破坏,凸阶与阀体间还可形成金属接触,确保阀杆密封。
7、 防静电功能:在球体、阀杆、阀体之间设置弹簧,能将开关过程产生的静电导出。
联系方式:
上海毓申阀门有限公司
地址:上海市嘉定区江桥工业园区宝园五路458号
联系人:高爽
手机:13524322352
电话:021-69585016
传真:021-33250325
官网:www.yushenfm.com
公司简介:
上海毓申阀门有限公司是一家老牌企业,专业销售各种阀门、电动执行器和自动化成套设备的一家综合型企业。公司主导产品包括: 手电两用的闸阀、蝶阀、球阀、截止阀、调节阀,止回阀和精小型执行器、DZW/DQW电动执行器、2SA3/2SQ3西门子系列执行器、PS系列执行器、IQ罗托克系列执行器、381电动装置、DKJ/DKZ系列电动、LQ电动装置等。
公司凭借多年的经验和管理理念,不断引进吸收国内外先进技术和管理,已具有较强的实力型团队。公司产品行销全国,并已形成完善的市场销售网络,广泛用于环保、电力、冶金、石化、供热、建材、轻纺、食品等行业。公司产品全部执行国家和行业标准并通过国家技术监督部门质量监督检验站检验鉴定。
公司本着以客户三个满意为基本原则:“产品质量的满意,先进技术的满意,售后服务的满意”,不断加强企业内部的综合竞争力,公司在竞争中求发展,在挑战中谋机遇,相信我公司会给您提供优良的产品,相信我公司会为您提供先进的技术和完善的售后服务。
售后服务:
1. 本产品自交付日起保修期为十二个月。在保修期内产品确因质量问题而引起损坏或不正常工作,本公司负责免费修理或调换,并提供有关的保养维修知识;如因用户使用不当引起坏损或不正常工作,本公司对产品提供终身维修服务。用户如有需要,本公司免费提供技术咨询,现场指导安装调试。
2、用户在使用本公司产品的过程当中所出现的问题或信息,请及时反馈本公司,以便本公司及时予以处理、改进和提高。
3、本公司提供良好的售后服务,客户提出问题必在6小时内给予答复或解决。



