温馨提示:
1.图片仅供参考,以收到的实物为准,客户可个性定制;
2.产品描述及价格仅供参考,以实际洽谈结果为准。
服务热线:13061896293(赵先生)

YS(X)J系列压铸铝机壳三相异步电动机包括:63,71,80,90四个机座;电动机符合IEC标准,效率符合国家能效标准。该系列电机根据NEMA标准派生出适合美国及北美地区使用,符合美国国家能源机构核准的超高效(YXJ)电动机。
该系列电机适合满载起动的机械。广泛应用于各类风机, 泵类,压缩机和机械设备的驱动。



B5结构:

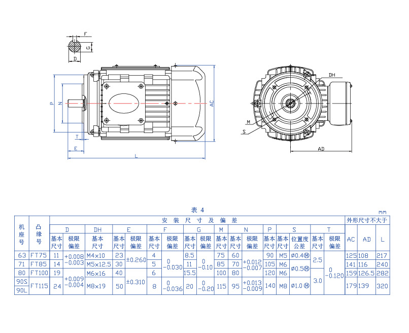
B3结构

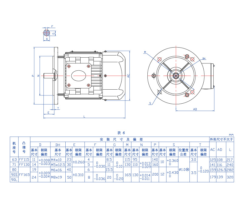
B14结构:

关于我们
上海金陵电机股份有限公司
GREEN THE WORLD 让世界更绿色
上海金陵电机股份有限公司创建于1952年,主要生产销售“GW”、“AG-I”和“SMC”品牌符合NEMA标准的各类单、三相交流异步电动机,符合IEC标准的各类单、三相交流异步电动机,有刷或无刷直流电动机,公司70%以上的产品销往美国、加拿大、欧洲和南美。
公司产品主要应用在通风设备、农用装备、医药食品机械、高端清洗设备、 泵和其它通用机械设备上。
本公司产品根据客户需求,分别获得UL、CSA、CE和CCC认定,其所用零部件和材料符合RoHS要求。
本公司实验室获得UL、CSA认定,可独立进行UL和CSA认证试验
2002~2014年,公司曾经是美国雷戈电气集团在中国的合资企业之一。
我们愿以精良的产品和增值的服务与我们的新老客户共同成长。
地址:上海市奉贤区林海公路6838号
邮箱:cindy.zhang@gwindustry.com
传真:021-58421226
网址:
【购买须知】
1.买家在购买前请确认好产品的规格型号、相关参数要求,以利卖家准确报价。
2.由于电机产品的型号繁多,不能一一列举;特殊要求者,请电联。详情以来电咨询为准,真诚期待与您的合作,也希望能把我们最好的服务,最优质的产品传递给您!
服务热线:13061896293(赵先生)