派克硬管接头
派克的硬管接头产品包括有EO、O-Lok®、Triple-Lok® 等种
类,拥有完整的全系列尺寸及结构型式,已经在全世界范围内广
泛使用,满足各种生产标准,包括SAE、DIN、ISO等。同时,
我们还可以提供各种油口端的螺纹及密封形式,包括公制螺
纹、BSPP、NPT、UNF等。
派克接头的表面处理
派克碳钢材料的硬管接头和软管接头均采用
无六价铬镀锌工艺,该工艺有利于保护环
境,同时可增强接头的耐腐蚀性能,将平均
生白锈时间提高到500小时。无六价铬镀锌
的接头颜色为银色。
PARKER派克硬管接头特点
派克硬管接头种类齐全,满足各种标准,多种螺纹连接形式供您选择。
派克接头专为高可靠性、易操作及总成本最低而设计,具有无泄露技术。
派克硬管接头应用广泛,尤其适用于工业、工程机械、海洋工程等恶劣工况。
派克接头表面采用无六价铬镀锌、盐雾试验700小时无锈,超过SAE标准7倍
大大延长接头使用寿 命,降低更换成本。
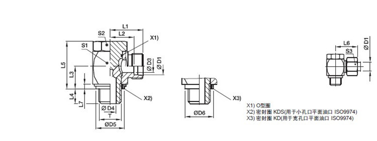
派克PARKER高压铰接式EO 24° WH-R-KDS英制螺纹弹性密封



青岛金贝特国际贸易有限公司公司是一家以代理销售国际一流品牌的机械、液压、电器产品为主营业务的综合性企业,是美国派克汉尼汾(PARKER)流体密封、流体连接件、工业液压、气动、过滤等全系列产品在山东地区的指定分销商。
Parker公司总部在美国,是世界五百强企业,在流体系统的连接,传动与控制领域有着十分齐全的产品系列,具有创新,设计,制造的宝贵经验并拥有全球市场。金贝特公司主要依托Parker优质产品,为国内多家大型机床厂与工程机械厂配套成套的液压设备和密封元件与流体联接件。为交通运输、冶金、造纸等多种行业长期提供OEM配套、设备维护与检修服务。
(一) 密封件:主要产品有工程机械、汽车工业、机床工业用防尘圈,活塞及活塞杆密封件,O型圈,旋转密封件,导向元件等。优异的产品品质一直称雄于密封件行业。
(二) 流体连接件:液压胶管、 EO卡套式管接头、快换接头产品、阀体类产品。
(三) 工业液压件:液压泵、液压马达、比例方向控制阀、流量控制阀压力表开关等液压类产品。
作为Parker的分销商,我们拥有完善的销售网络;专业的销售人员提供技术咨询、售前、售后服务,根据客户要求提供产品设计参考、选型;并有着充裕的库存做后盾。为工程机械、机床、冶金、造纸、交通运输、纺织机械等多种行业长期提供OEM配套、设备维护与检修服务。
青岛金贝特资质




