

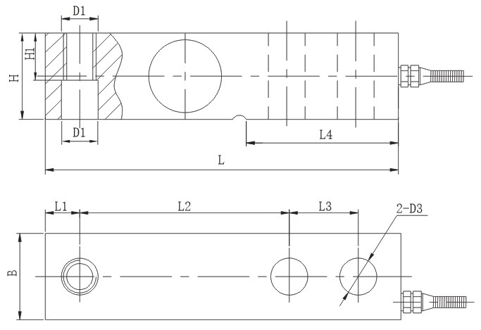
外形尺寸图


详细技术参数
额定载荷Emax(Max. capacity) | t | 0.5~10t | |
灵敏度Sensitivity | mV/V | 2.0±0.002 | |
精度等级uracy class |
| C2 | C3 |
最大检定分度数Maximum number of verification intervals | nmax | 2000 | 3000 |
最小检定分度值Minimum load cell verification interval | Vmin | Emax/5000 | Emax/10000 |
综合误差Combined error | %F.S | ≤±0.030 | ≤±0.020 |
蠕变Creep | %F.S/30min | ≤±0.024 | ≤±0.016 |
温度对灵敏度影响Temperature effect on sensitivity | %F.S/10℃ | ≤±0.017 | ≤±0.011 |
温度对零点影响Temperature effect on zero | %F.S/10℃ | ≤±0.023 | ≤±0.015 |
零点平衡Zero balance | %F.S | ±1.0 | |
输入电阻Input resistance | Ω | 380±10Ω | |
输出电阻Output resistance | Ω | 350±1Ω | |
工作温度范围Service temperature range | ℃ | -30...+70 | |
安全过载Safe overload | %F.S | 150 | |
极限过载Ultimate overload | %F.S | 300 | |
推荐激励电压mended excitation voltage | V | 5…15 | |
绝缘电阻Insulation resistance | MΩ/50V | >5000 | |
密封等级Protection class |
| IP67;IP68 | |
传感器材料Load cell material |
| 不锈钢Stainless steel | |
接线电缆Cable length | m | 3m;5m | |
电缆直径Cable outer caliber | mm | Φ5 | |
产品实拍图

产品包装图


定制说明
1、我们不仅仅提供称重元件,同时承接工程订单,并给您提供个性化定制服务。
2、我们免费提供非标称重传感器的设计,免费提供完美的称重技术解决方案。
3、订货流程:当您设计或选择好您想订制的产品后可与我公司客服人员联系,告知所订产品的型号规格、量程、灵敏度、精度等级、材质要求、
LOGO方式,数量及包装等具体要求或提供相应的产品外形安装尺寸或者产品实物,最好能提供现场工况,我们会尽快为您核算一个 准确的报价。
4、合同签订:经双方沟通清楚后我们会出具一份订货合同给您审阅,您确认无误后签名并传真至我公司,我们便可下单生产,并且在您指定的交货 期内完成任务。
5、来图定制传感器或者需要提供详细现场工况要求的,请发我们的邮箱:7136746@;
来样定制请发以下地址: 公司:宜兴市三维电气制造有限公司
地址:江苏省宜兴市丁蜀镇川埠宝阳路
电话:0510-87298977
手机:18915302588
联系人:张益平
邮编:214200
一般定制周期:20~30天,如需加急,请另议。
企业介绍

宜兴市三维电气制造有限公司成立于2007年4月11日,是由一批有抱负的年轻科技人员创办的以传感技术、电子衡器技术为核心的新型高科技企业。
公司创办伊始,就把起点定在了赶超国际潮流上,在学习引进国内外先进称重技术的基础上,将我们对称重技术的独特理解,把用户对产品的各种需求,不断融入我们的产品中。相继推出了高温称重传感器、超低温称重传感器、不锈钢称重传感器、防爆称重传感器、起重量限制器、动静态电子轨道衡、动静态电子汽车衡、动态轴计量秤、动态汽车载重检测器、电子皮带秤、皮带配料秤、料斗配料系统、实物校验装置、称重给料秤、自动定量包装秤、失重秤、铁水包秤、中间包电子秤、车载钢包电子秤、天车秤、辊道秤、料位大包秤、衡器监控管理系统、衡器无人管理系统等一系列高科技术产品。这些产品集传感器技术、计算机技术、称重技术及当今世界最先进的图象识别技术之大成,极大地提高了衡器计量数据处理的自动化水平,降低了劳动强度,是世界一流的称重现代化管理系统。
公司秉承“一切为了客户”的创业理念,以“着力打造一流的传感器”为奋斗目标。始终坚持“一流的企业造就一流的人才,一流的人才生产一流的产品,一流的产品提供一流的客户”的经营理念。以“通过建立持续有效和不断改进的质量管理体系, 及时地为顾客提供优质的产品”的质量方针,不断地提升自我,使公司的发展迈向一个崭新的未来。
企业证书


购买须知
1、货源说明
一站式工厂服务,厂家直销,免去中间环节,价格一步到位,零售批发一体,批量价格更优惠。
2、关于品质
引进美国、日本独特技术制造工艺,品质保证,不做价格竞争,性价比高。
3、关于颜色
称重传感器外观有喷漆和电镀两种,具体以实物为准。
4、 关于退换货
我们支持7天无理由退换货。自物流显示已签收日期,7天内支持退换货,须保证退换货商品不影响2次销售为前提。非质量问题退换货运费由买家自理,质量问题须买家先垫付寄回运费,收到退回商品后我们会将运费补回给您。仓库拒收一切理由的到付件,产生的到付运费由买家自理。
5、关于发货
我们会在您付款成功后尽快安排发货,所有订单一般会在48小时内完成发货,非标定制产品另行约定。起重量限制器产品、大型称重设备一般采用物流发货,运费买家承担;重量轻的小型称重元件一般采用快递,卖家包邮。我们在发货时要求货运公司“电话联系,本人签收”,请买家注意到货产品在第一时间开箱验货及核对,如有数量短缺,规格不符、产品破损等问题请在签收后24小时内和我们的客服联系,以便我们第一时间为您核实并处理,逾期我们将不予受理。
6、关于退换货
非人为损坏可保修一年,常规产品在保证产品性能及外观良好,不影响厂家二次销售的情况下,15天包换;非标订制产品,非质量问题,不支持退换货处理。
售后服务
1. 对于称重元件产品售后服务在规定质保期内属产品本身质量问题,公司负责无偿维修或退换。
2. 对于需要现场安装调试的称重系统我公司提供免费维保时间为交付使用后1年,在此期间内因设备质量出现问题由我公司负责维修调试。发生的维修费用及不合格部件的更换费用均由我公司承担。
3. 货物交付使用后,我公司将对产品进行跟踪服务。商务处专门设立了顾客档案卡和投诉电话,以更好地为顾客提供满意的服务。
4. 由于顾客使用不当等原因造成的产品损坏,由公司当事销售人员与顾客签订维修合同,根据维修合同,技术维修组负责如期完成维修任务。
5. 除质保期内的售后服务外,本公司同时负责质保期后的设备维修工作,但其售后服务费用由需方承担。
温馨提示
尊敬的客户:
非常感谢您选择宜兴市三维电气制造有限公司,为了更好准确的了解您的要求,以便我们能更好更快的
根据要求为您选配最合适的产品,在购买前,请您注意确认以下信息:
1、了解称重设备使用安装要求,选择适合安装的称重传感器;
2、根据测量力的大小选择合适的量程;
3、根据使用环境,选择适合现场环境的称重传感器,腐蚀环境下采用不锈钢传感器,高温环境下选用
高温传感器,防爆场合选用防爆传感器等。
4、根据称重系统现场要求配置显示仪表。
联系方式
