卫生级安全阀,它的安全设计使得它能保护设备,所以它安装在排放压力的回路,对管路、泵、装置、储罐等起安全保护作用。
卫生级安全阀广泛应用于食品、饮料、乳制品、制药、啤酒等行业。
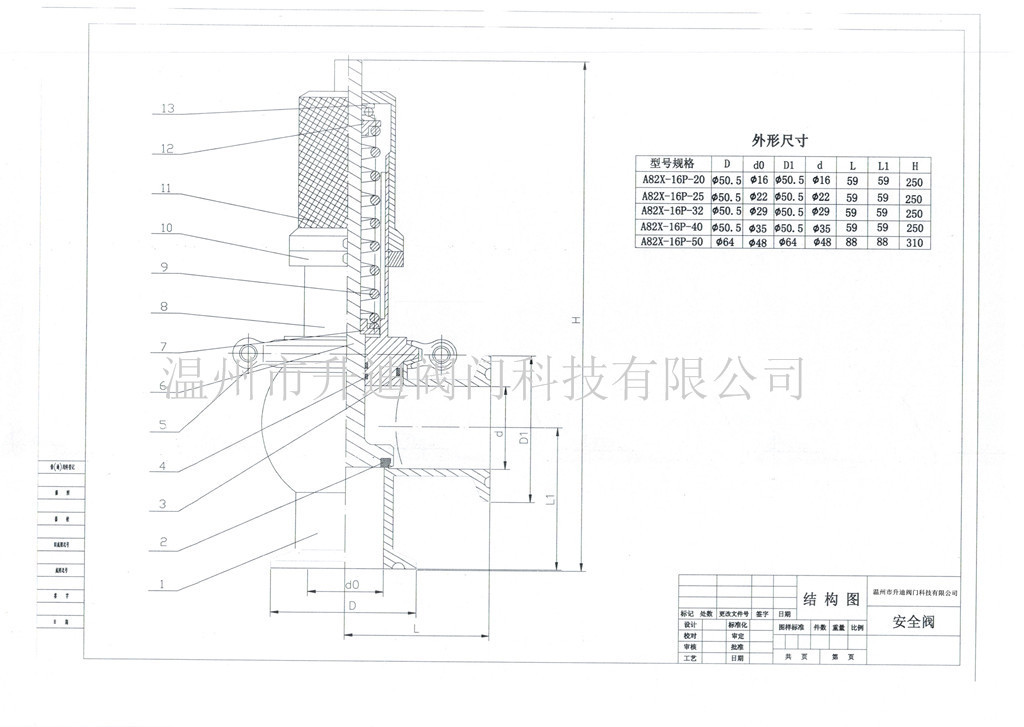
安全阀是锅炉、压力容器和其他受压力设备上重要的安全附件,应经常检查,使之安全可靠。
作用:
卫生级安全阀在系统中起安全保护作用。当系统压力超过规定值时,卫生级安全阀打开,将系统中的一部分气体/流体排入大气/管道外,使系统压力不超过允许值,从而保证系统不因压力过高而发生事故。
连接形式:焊接式、快装式、螺纹式
材质:SUS304、SUS316L 制成 通径:DN15~DN65
适用于酵罐CO2气体的回收及排气并保持稳定罐内压力。
安全阀结构主要有两大类:弹簧式和杠杆式。弹簧式式是指阀瓣与阀座的密封靠弹簧的作用力。杠杆式是靠杠杆和重锤的作用力。随着大容量的需要,又有一种脉冲式安全阀,也称为先导式安全阀,由主安全阀和辅助阀组成。当管道内介质压力超过规定压力值时,辅助阀先开启,介质沿着导管进入主安全阀,并将主安全阀打开,使增高的介质压力降低。
安全阀的排放量决定于阀座的口径与阀瓣的开启高度,也可分为两种:微启式开启高度是阀座内径的(1/15)~(1/20),全启式是(1/3)~(1/4)。
此外,随着使用要求的不同,有封闭式和不封闭式。封闭式即排出的介质不外泄,全部沿着规定的出口排出,一般用于有毒和有腐蚀性的介质。不封闭式一般用于无毒或无腐蚀性的介质。
安全阀都应垂直安装。
安全阀出口处应无阻力,避免产生受压现象。
安全阀在安装前应专门测试,并检查其官密封性。
对使用中的安全阀应作定期检查。



卫生级安全阀,它的安不锈钢安全阀俺随着使用要求的不同,有封闭式和不封闭式。封闭式即排出的介质不外泄,全部沿着规定卫生级安全阀,它的安全设计使得它能保护设备,所以它安装在排放压力的回路,对管路、泵、装置、储罐等起安全保护作用。的出口排出,一般用于有毒和有腐蚀性的介质。不封闭式一般用于无毒或无腐蚀性的介质。全设计使得它能保护设备,所以它安装在排放压力的回路,对管路、泵、装置、储罐等起安全保护作用。


