上海倍拉机械设备有限公司
电话:021-67686291 传真:021-67686271
手机:15901771040 联系人:李女士
微信:15901771040 QQ:1992099788
威乐公司(WILO SE)的总部位于德国的多特蒙德,是全球领先的水泵和水泵系统制造商之一,威乐产品主要用于供热、制冷和空调技术以及供水和污水处理等领域。
应用:
适用于泵送热水(符合VDI 2035标准),水-乙二醇混合
液及冷却水/冷水,不含腐蚀性物质的热水
型号说明:
例如IPL 40/160-4/2
IPL管道泵
40进出口公称直径DN
160叶轮公称直径
4额定电机功率P kW
2电机极数
产品特点/优势:
1. 标准配置高效电机;额定电机功率0.75 kW
2. 电机电泳涂层,具有较高的防腐蚀性
3. 电机壳和灯笼架内带有标准冷凝水出水孔,
水泵与电机共用一根轴
4. 标准电机,不锈钢插拔式轴
5. 可冲洗的双向机械密封
6. 易于安装,可提供带有支脚和螺纹孔的泵体
材质:
1. 泵体和灯笼架:铸铁EN-GJL-250
2. 叶轮:PPO塑料/铸铁EN-GJL-200(根据水泵型号)
3. 轴:不锈钢1.4021
4. 机械密封:AQEGG;其它机械密封可根据客户要求提供
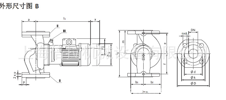
技术参数
5. 允许温度-20 C ~ +120 C
6. 电源3~400V, 50Hz
7. 防护等级IP 55
8. 公称直径Rp 1 ~ DN 100
9. 最大工作压力10 bar(可根据客户要求:16bar)








IPL系列相关产品型号:
| IPL32/130-1.1/2 |
| IPL32/160-1.1/2 |
| IPL40/120-1.5/2 |
| IPL40/130-2.2/2 |
| IPL40/150-3/2 |
| IPL40/160-4/2 |
| IPL 50/115-0.75/2 |
| IPL50/120-1.5/2 |
| IPL50/130-2.2/2 |
| IPL50/140-3/2 |
| IPL50/150-4/2 |
| IPL65/115-1.5/2 |
| IPL65/120-2.2/2 |
| IPL65/130-3/2 |
| IPL65/140-4/2 |
| IPL80/130-3/2 |
| IPL80/140-4/2 |
想要更多的了解相关技术参数和价格请与客服联系:
TEL:15901771040 QQ:1992099788
关于签收
签收前请仔细检查包裹外包装是否完好,如果有破损、污染情况请及时联系我们后再拆开包裹验货,写上名字的同时请在面单上如实写下“破损”或“污染”的情况说明,我们将追究快递相关责任,最终对客户进行相应的赔偿,因未验货签收完成的货物破损、污染等损失由客户自行承担,所以麻烦请一定注意签收前仔细查验。
关于退换货
产品一经售出,无产品质量问题不接受退换货,购买前关于型号请咨询清楚,谨慎购买!
产品质量问题引来的退货,来回运费由卖家承担,买家需先行支付运费,收到货后联系卖家通过支付宝或其他退款方式把运费返还给买家,运费不得高于卖家发货运费。
关于保修
本店所有商品在一年之内出现质量问题,均可退回免费维修。
但易损件则收取配件成本费与维修费,易损件包括机械密封、叶轮、水泵泵体。