产品详情
技术参数

特征描述
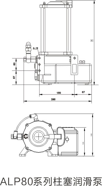
- ALP80系列集中润滑系统主要由高压润滑泵、分油器和监控器组成。
图纸

使用说明
系统由ECU液晶监控器控制高压润滑泵周期性工作。运行时,减速电机带动偏心轮使柱塞副做往复运动实现吸排脂。高压油脂进入主油路后,经分油器计量腔向各润滑点定量供脂。
包装清单
用途/应用领域
适用于风电、港口、矿山、起重、船舶、工程、木工、饮料等机械设备。
产品图片

品牌介绍
中国集中润滑行业第1品牌,年生产能力达20万台。
集中润滑行业唯一建立有“设备智能润滑健康管理院士工作站”的企业。