'
HDL-100/2N自复式路灯漏电保护器
一、产品特点
本保护器具有漏电(可调)、短路保护自动重合闸功能,当用电设备发生漏电、人畜发生触电时,能快速自动切断电源,故障解除后,经过延时后自动重合送电。
二、技术指标
1、额定电压:220V
2、额定频率:50Hz
3、额定电流:20A、40A、60A、80A、100A
4、漏电缓变(可调)动作电流值:50 mA、100 mA、200 mA、300 mA
5、漏电缓变不动作电流值: 1/2IΔn:
6、额定短路接通分断能力: 500A
7、额定限制短路电流: 1000A
10、额定分断时间: ≤0.2s
11、跳闸保持时间: 10s~30s
12、动作特性分类: AC
三、外形尺寸及使用方法:
1,外形尺寸:210×110×92(长、宽、高)
2,使用环境:
2.1相对温度:≤90%
2.2海拔高度:≤2000m
2.3污染等级:Ⅲ级
3,适用范围:城市、农村二、三级保护及住宅、办公楼的单相线路照明保护。
4,使用流程:
4.1接线无误后(注:零线与火线不能错接),合上保电器开关,产品应立即送电,此时绿指示灯亮,红灯亮,表示产品工作正常,红灯灭表示分断,无电源输出。
4.2模拟试验:当按下此按钮时,产品能有效跳闸切断电源,过10 ~ 30S后能自动重合闸送电。
四、动作值的调节方法:
HDL-100/2N产品的漏电(缓变)电流动作值的调节方法(如上图所示):
1.1 调节开关第一个手柄、第二个手柄全部向下漏电为50mA
1.2 调节开关第一个手柄向下,第二个手柄向上漏电为100mA
1.3 调节开关第一个手柄向上,第二个手柄向下漏电为200mA
1.4 调节开关第一个手柄、第二个手柄全部向上漏电为300mA
(如下图所示):

五、注意示项:
a) 本保护器对被保护线路的短路可以起到有效的保护,但相与零之间的触电和漏电不起到保护作用。
b) 被保护线路进线的零线与相线不得错接,出线的零线不得有往下重复接地或与进线的零线混用。
c) 出现故障应及时排除。如果用户线路的漏电流值太大而无法运行,可以根据情况适当地把漏电流值调大,还不能动作也可以在电业局的监督下强行退出。调节使用方法详见说明书。
六、常见故障及排除方法:
a) 如为新安装,不能正常投运,应在检查线路接线是否正确,被保护线路也没有与其它线混装、变压器中性接地线良好的情况下。表明用户线路中泄漏电流超过规定值,应马上查明原因。
b) 如安装一段时间后不能投运,则应先分析是线路原因,还是保护器本身故障,如在保护器输入电压正常的情况下,开机无反应,则保护器本身故障。
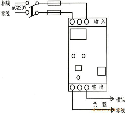
七、 安装接线图:

注:本保护器的接线柱应与零线、火线一一对接。
制造公司:温州正普电器公司
地址:温州柳市中国电器城二单元315号
电话:0577-62750121 13968731277
'