米朗SMFS-M防水拉线拉绳式传感器 防水拉绳位移传感器裂缝位移计
一、防水防爆型拉线位移传感器产品简介:防水防爆型拉线位移传感器其核心电子部件霍尔磁感应增量型编码器由米朗公司自主研发生产,其特征是磁铁安装在线轮主轴上,电子芯片使用高强度灌封胶封装在不锈钢车件内,确保电子芯片在10MPa海水压力下与海水绝缘,磁铁与电子芯片在完全隔离状态下磁感应增量型编码器能够长期正常工作。防水防爆型拉线位移传感器整个产品零部件均采用在海水内永不生锈材料制作,如:不锈钢发条和拉绳,铝合金外壳和线轮,塑料发条外壳,陶瓷轴承。二、防水防爆型拉线位移传感器产品特征: 1、防水防爆型(磁感应)系列拉绳位移传感器其核心电子部件霍尔磁感应增量型编码器由米朗公司自主研发生产,其特征是磁铁安装在线轮主轴上,电子芯片使用高强度灌封胶封装在不锈钢车件内,确保电子芯片在10MPa海水压力下与海水绝缘,磁铁与电子芯片在完全隔离状态下磁感应增量型编码器能够长期正常工作。2、整个产品零部件均采用在海水内永不生锈材料制作,如:不锈钢发条和拉绳,铝合金外壳和线轮,塑料发条外壳,陶瓷轴承。三、防水防爆型拉线位移传感器技术参数:项目规格 | 内容 | 备注 |
量程 | 1000mm-4000mm |
|
电源电压 | DC24V | 波动5%以下 |
电源电压VCC消耗电流 | 40mA | 不含突变情况 |
输出信号 | 电压输出型:0-5V,0-10V, 电流输出型:4-20mA, 数字信号输出型:RS485, | 增量型输出(注:掉电记忆,绝 对位置输出需外接电池) |
线性精度 | ±0.05%FS |
|
分辨率 | 17位 |
|
工作速度 | 1M/S |
|
工作环境温度 | -30℃~85℃(水下10MPa) |
|
防护等级 | IP68 |
|
防爆标志 | Exd ⅡC T6 Gb | 见附图如下↓ |
产品执行标准 | Q/MLKJ02-2020
|
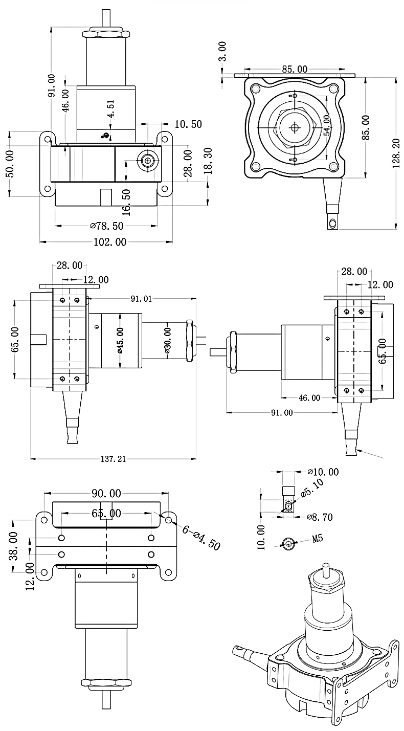
四、防水防爆型拉线位移传感器安装尺寸:
附件: