联系QQ:1973942589
联系VX:jingliht
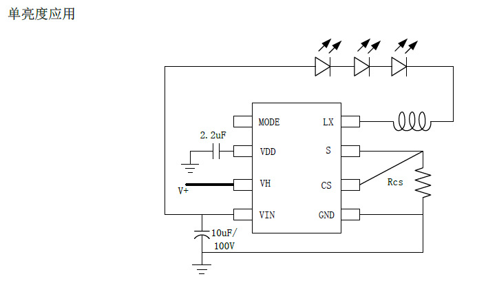
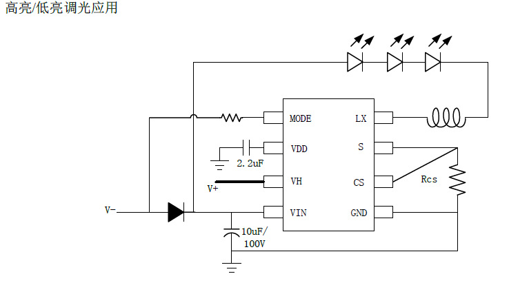
产品概述:
LN2592是一款外围电路简单,采用自主知识产权的VFPWM连续工作模式,
适用于6-100V全电压范围的非隔离式恒流LED驱动芯片。
LN2592采用了PWM工作模式,在应用中可以采用较小值的电感,可以有效节省整机空间。
LN2592通过对MODE管脚进行控制实现二功能切换。
MODE悬空为高亮模式,MODE接高为低亮模式。
产品特点:
平均电流工作模式
输入电压:6V~100V
内置高压启动电路
输出电流范围:100mA~1A
高效率:可达80%
输出短路保护
内置抖频电路
内置100V功率管
内置防反接电路
用途:
LED电动自行车照明
LED汽车照明等
本公司专业研发生产各种车灯IC,包括电动车灯IC,
摩托车灯IC,汽车灯IC,有高低亮度车灯IC方案,
有远近光灯车灯方案,有三灯切六灯IC方案,
适合用于各种车灯,所有产品可以提供技术支持,
提供规格书PCB.原理图,,可以帮忙设计画板,欢迎咨询。