联系QQ:1973942589联系VX:jingliht
明微电子推出了LED照明驱动器SM2082C的升级版本SM2082D,
SM2082C单颗功率(常规情况下)是8W,
SM2082D则是单颗16W的线性恒流电源驱动IC。
SM2082D与SM2082C的工作原理、封装形式等等都相同,
仅单颗功率增大到16W,可以完全兼容原SM2082C的方案板。
若原系统板采用2颗SM2082C实现的16W,现在只需1颗SM2082D,
同时,检流电阻从2个调整为1个。
概述:
SM2082D 是单通道LED 恒流驱动控制芯片,芯片使用本司专利
的恒流设定和控制技术, 输出电流由外接Rext 电阻设置为
5mA~60mA,且输出电流不随芯片OUT 端口电压而变化,较好的恒流
性能。系统结构简单,外围元件极少,方案成本低。
特点:
本司专利的恒流控制技术
OUT 端口输出电流外置可调,范围5mA~60mA
芯片间输出电流偏差 < ± 4%
具有过热保护功能
芯片可与LED 共用PCB板
芯片应用系统无EMI 问题
线路简单、成本低廉
封装形式: TO252-2、SOT223、SOT89-3
应用领域:
T5/T8 系列LED 日光灯管
LED 路灯照明应用
LED 球泡灯,LED 吸顶灯
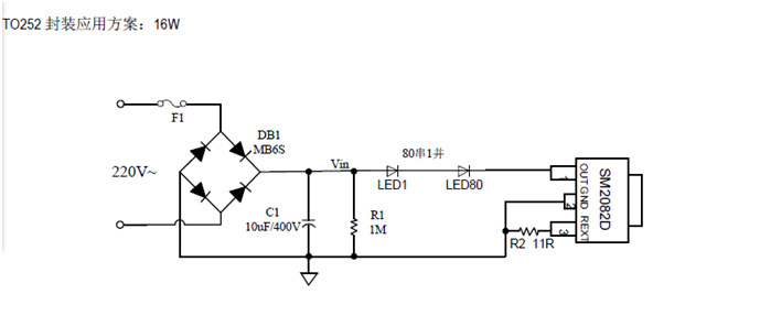
SM2082D的应用图如下图,电路结构简单。
单颗T8管应用系统的典型参数如下:
SM2082D的特点如下:
SM2082D属于线性恒流驱动IC,提供ESOP8、TO252-2、SOT89-3等多种封装,可PIN对PIN兼容与替换。可广泛应用于T8/T5日光灯管,一体化吸顶灯以及灯丝灯等多种光源或灯具,不但电路简单易于批量化生产,而且性价比更高。
概述:
SM2082D 是单通道LED 恒流驱动控制芯片,芯片使用本司专利
的恒流设定和控制技术, 输出电流由外接Rext 电阻设置为
5mA~60mA,且输出电流不随芯片OUT 端口电压而变化,较好的恒流
性能。系统结构简单,外围元件极少,方案成本低。
特点:
专利的恒流控制技术;
a) OUT 端口输出电流外置可调,范
围5mA~60mA;
b) 芯片间输出电流偏差 < ±4%;
具有过热保护功能;
芯片可与LED 共用PCB 板;
芯片应用系统无EMI 问题;
线路简单、成本低廉;
封装形式:ESOP8、TO252-2、SOT89-3
单颗芯片可做18W LED灯管
应用领域:
T5/T8 系列LED 日光灯管;
LED 路灯照明应用;
LED 球泡灯,LED 吸顶灯;
温馨提示:产品价格仅供参考,欢迎在线或来电咨询!
若不经协商直接下单,恕不发货!谢谢!
明微LED驱动照明:
隔离式:SM7513,SM7515P,SM7520,SM7522P,SM7523B,
SM7524P,SM7525,SM7530,SM7532P,SM7534P,SM7650
非隔离式:SM7302,SM7305B,SM7305PB,SM7307,SM7312P
SM7313C,SM7313PC,SM7315P,SM7322P,SM7520,SM7350,
SM7351P,SM7352P,SM7354P,SM7630
明微线性恒流LED供电照明系列:
SM2082C,SM2082ED,SM2082S,SM2082D,
SM2087,SM2083,SM2123E,SM2125,SM2086,SM2135,
SM2211E,SM2213EA,SM2212EB,SM2213EB,SM2315E,
SM1503B,SM1506,SM1533E,
明微AD/DC电源管理类
副边反馈芯片系列 功率开关:
SM7012,SM7022,SM7026,SM7028,SM8002C
SM8012,SM8022,SM8013C,SM8015,SM8023
明微非隔离恒压系列:
SM7015,SM7025,SM7035P,SM7055-12,SM7055-18
SM7075,SM7095-12,SM7095-18
明微原边反馈芯片系列功率开关:
SM7205,SM7205P,SM7503P,SM7505P,
SM8200,SM8502,SM8513M,