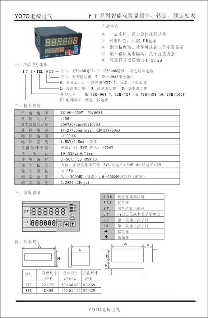
北崎电气 速度表 FT8系列 速度表YOTO
查看供应商
查看完整图文
立即询价
其他相关图集
海康威视STJ1-12定角式雷达窄波测速仪
售卖DECATUR手持式电波流速仪
现货LDV测速仪
burkert宝德电磁阀原装德国力士乐 REXROTH电磁阀详细介绍223
美国原装进口SEL继电器上海辰丁主推品牌 610371
DEBRON速度测试仪OVM1052关门速度仪
成都供应机动车测速仪 汽车移动测速仪 激光测速仪
德国进口原厂原装B+B压力传感器PMB-S GI120
俱星动力HT3000移动高清雷达测速仪支持4G传输
五轮仪(配轮式速度传感器)型号 M395226
仪器仪表
>
机械量测量仪器
>
测速仪
>
获取验证码
允许同品行业优质供应商联系我
您对此产品的咨询信息已成功发送给相应的供应商,请注意接听供应商电话。
对不起,您对此产品的咨询信息发送失败,请稍后重新发起咨询。
关闭
登录
|
注册
首页
|
我的马可
触屏版
电脑端
马可波罗版权所有1999-2020