全新YOTO北崎DE3四位半智能电流电压表
查看供应商
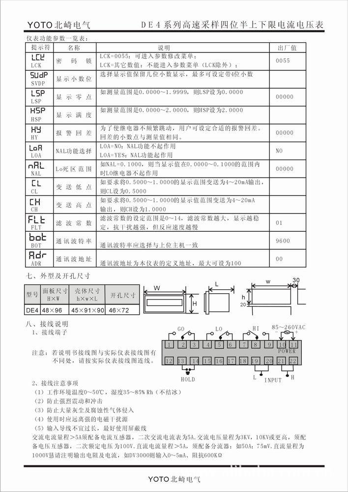
查看完整图文
立即询价
其他相关图集
瑞士丹青 Sylvac S_Dial Work PLC千分表
销售供应BECKHOFF显示器
原装正品SIEBERT超大屏显示器
供应美国原厂原装 Analynk Wireless 手动变送器 505000
原装英国诺冠NORGREN电磁阀V096516R-E313A上海供货29
线性计量计数器(显示单元)EG-101P 进口计量计数仪 日本三丰
热气熔胶灭火装置
智能转速监测仪
供应国科GK2200智能液位控制仪 智能数显仪表 适用范围广
多回路测控仪
仪器仪表
>
工业自动化仪表及系统
>
显示仪表
>
获取验证码
允许同品行业优质供应商联系我
您对此产品的咨询信息已成功发送给相应的供应商,请注意接听供应商电话。
对不起,您对此产品的咨询信息发送失败,请稍后重新发起咨询。
关闭
登录
|
注册
首页
|
我的马可
触屏版
电脑端
马可波罗版权所有1999-2020