厂家直供GICLZ23型鼓型齿式联轴器,各种高品质GICLZ型系列联轴器
查看供应商
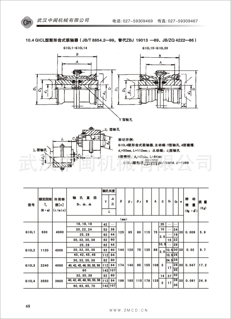
查看完整图文
立即询价
其他相关图集
销售供应TWIFLEX联轴器
现货FRABA联轴器 型号9401 10*10
经销TWIN DISC联轴器
burkert宝德电磁阀原装德国力士乐 REXROTH电磁阀详细介绍34
KTRROTEX14连轴器铸铝中国
梅花联轴器
鸿途智能 磁力耦合器 MGTL16/55 带制动轮 矿用 水泥厂
ADK 联轴器 ADK-GCLZ轴鼓型齿联轴器 传动件 机械配件
汉姆传动HM系列高弹性联轴器 大扭矩多规格可选
齿式柱销弹性联轴器 ZL齿式柱销联轴器弹性柱销齿式联轴器
五金零部件、配件、备品备件
>
传动件
>
联轴器
>
获取验证码
允许同品行业优质供应商联系我
您对此产品的咨询信息已成功发送给相应的供应商,请注意接听供应商电话。
对不起,您对此产品的咨询信息发送失败,请稍后重新发起咨询。
关闭
登录
|
注册
首页
|
我的马可
触屏版
电脑端
马可波罗版权所有1999-2020