全新YOTO北崎CT系列智能数显电子计数器,计长仪
查看供应商
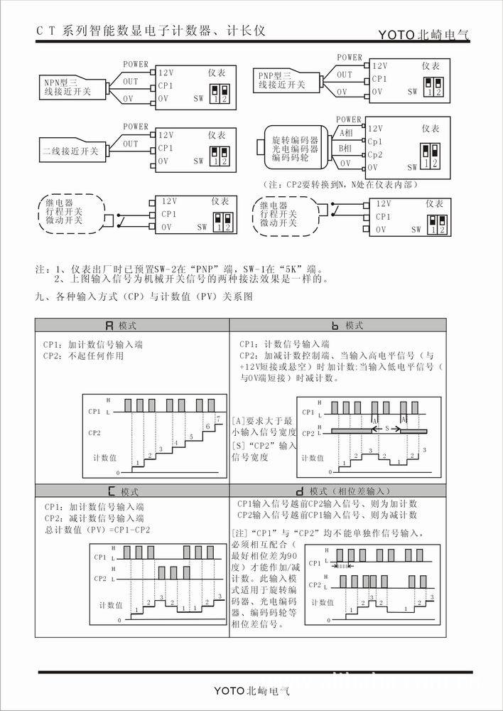
查看完整图文
立即询价
其他相关图集
burkert宝德电磁阀原装德国力士乐 REXROTH电磁阀详细介绍297
单晶硅车间双流量大流量激光尘埃粒子计数器
V-Tek PC250+ 计数器
供应: KONDA 计数器DN-UC-2DMA DN-UC-2DMB
国产返修台,苏州BGA返修台,五轴联动,DIM维修,返修代加工DEMO
激光尘埃粒子计数器 小流量尘埃粒子浓度计数 手提便携 GMP标准
Kanomax加野100L大流量粒子计数器3920
诺方SDS039洁净间实验室6通道在线尘埃粒子计数器传感器
UT337B手持式激光尘埃粒子计数器
德国宝色BAUSER计数器TYP250 230V50HZ原装进口
仪器仪表
>
计量仪表
>
计数器
>
获取验证码
允许同品行业优质供应商联系我
您对此产品的咨询信息已成功发送给相应的供应商,请注意接听供应商电话。
对不起,您对此产品的咨询信息发送失败,请稍后重新发起咨询。
关闭
登录
|
注册
首页
|
我的马可
触屏版
电脑端
马可波罗版权所有1999-2020