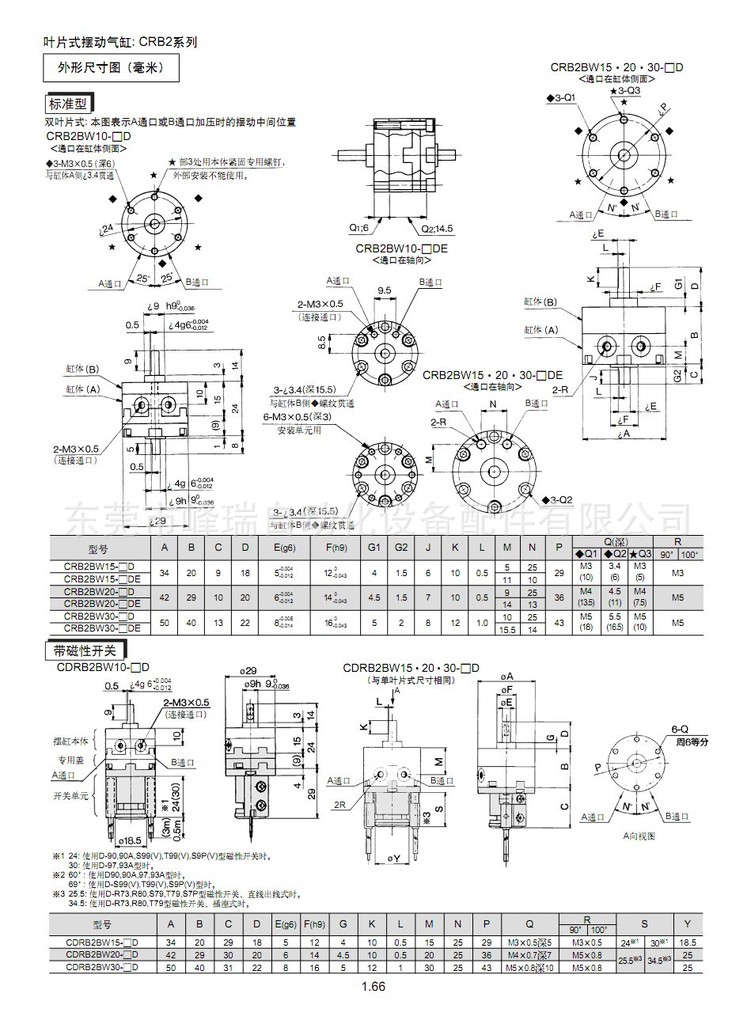
SMC叶片式摆动气缸CRB2BW20-180S
查看供应商
查看完整图文
立即询价
其他相关图集
热处理工业炉用气缸 非标定制件
薄型气缸-旋转气缸-气动滑台-气抓-配件齐全,欢迎咨询
大缸径标准气缸 韩国YPC引拔气缸
供应FESTO费斯托气缸DSBC-80-500-PPVA-N3 1383344
IFM 易福门 MK502A T型槽气缸开关
安沃驰AVENTICS气缸0822340032 现货供应
上海亚德客SDA/ACQ气缸批发
全新原装SMC标准气缸CS1系列上海直发
正品美国TULSA单向阀原厂代理
安沃驰AVENTICS无杆气缸RTC
五金零部件、配件、备品备件
>
气动元件
>
气缸
>
获取验证码
允许同品行业优质供应商联系我
您对此产品的咨询信息已成功发送给相应的供应商,请注意接听供应商电话。
对不起,您对此产品的咨询信息发送失败,请稍后重新发起咨询。
关闭
登录
|
注册
首页
|
我的马可
触屏版
电脑端
马可波罗版权所有1999-2020