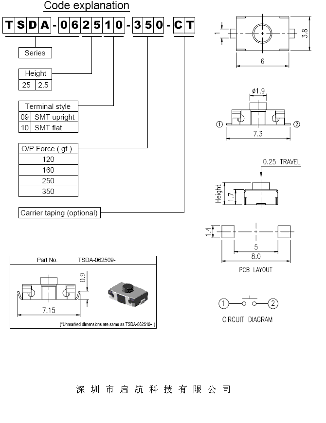
环保材料 贴片轻触开关 质高价优 力度可选
查看供应商
查看完整图文
立即询价
其他相关图集
威图 凸轮开关 型号齐全 现货现发
FZRW32-40.5D户外高压(隔离)真空负荷开关—熔断器组合电器
海康威视DS-1T710N紧急求助按钮
PILZ安全继电器PNOZ系列原装现货10
销售供应MAFELEC按钮开关
OTAX 拨码开关卡座
蓝牙定时开关 时控开关鸡舍照明定时 微电脑蓝牙无线定时控开关
直动式电磁阀27系列德国原厂德国GSR
0.2KW台达变频器
法国施耐德仪表LXM05AD10F1
电工电料、线缆照明
>
电工电料
>
电工开关
>
获取验证码
允许同品行业优质供应商联系我
您对此产品的咨询信息已成功发送给相应的供应商,请注意接听供应商电话。
对不起,您对此产品的咨询信息发送失败,请稍后重新发起咨询。
关闭
登录
|
注册
首页
|
我的马可
触屏版
电脑端
马可波罗版权所有1999-2020