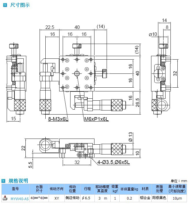
GMT AL超薄型精密滑台-XY MYW40-AS
查看供应商
查看完整图文
立即询价
其他相关图集
现货HERZOG传感器
burkert宝德电磁阀原装德国力士乐 REXROTH电磁阀详细介绍573
工模钳工台 配模桌钢板重型机械维修台虎钳桌 铸铁飞模台
美国MAC比例阀111B-611JD 原装 3221177
广州铸造翻砂配件生产加工
一字滑台,十字滑台,立式滑台
源头厂家全封闭同步带皮带直线模组,自动钢型精密滑台导轨机械
英鹏 沈阳医务室防爆净化工作台BYP-500GX-1DCJ
数控机床
全自动钻攻一体机
通用机械设备
>
机床附件
>
机床工作台
>
获取验证码
允许同品行业优质供应商联系我
您对此产品的咨询信息已成功发送给相应的供应商,请注意接听供应商电话。
对不起,您对此产品的咨询信息发送失败,请稍后重新发起咨询。
关闭
登录
|
注册
首页
|
我的马可
触屏版
电脑端
马可波罗版权所有1999-2020