大量供应SK系列水环式真空泵及压缩机
查看供应商
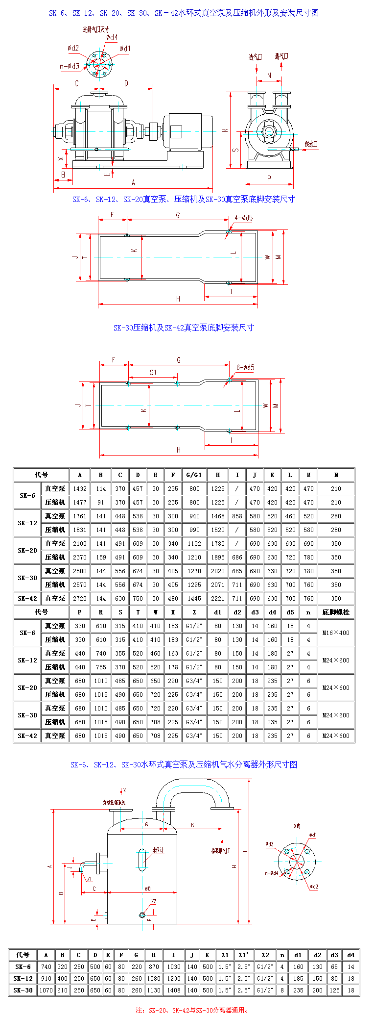
查看完整图文
立即询价
其他相关图集
真空泵 台湾UNI-CROWN郁冠无油真空泵 UN-200V
飞越单级双级真空泵V-i240SVV-i280SV抽气泵R32空调维修
销售供应THOMAS真空泵
D12/30-18北京气体顶压供水设备现场安装
德国rexroth力士乐PV7-1A/10-20RE01MC0-10代理
台湾AUTOBO无油真空泵 压缩机 AP-80适用于自动化制氧行业
进口安耐特真空泵 日本水冷式泵 型号MCT4-1000 中国代理
多级罗茨真空泵干式
山东省阿尔卡特602真空泵维修保养
维朋单级双级真空泵F2R/2F2R/2F4R抽气泵R32空调维修
通用机械设备
>
真空获取与应用设备
>
真空泵
>
获取验证码
允许同品行业优质供应商联系我
您对此产品的咨询信息已成功发送给相应的供应商,请注意接听供应商电话。
对不起,您对此产品的咨询信息发送失败,请稍后重新发起咨询。
关闭
登录
|
注册
首页
|
我的马可
触屏版
电脑端
马可波罗版权所有1999-2020