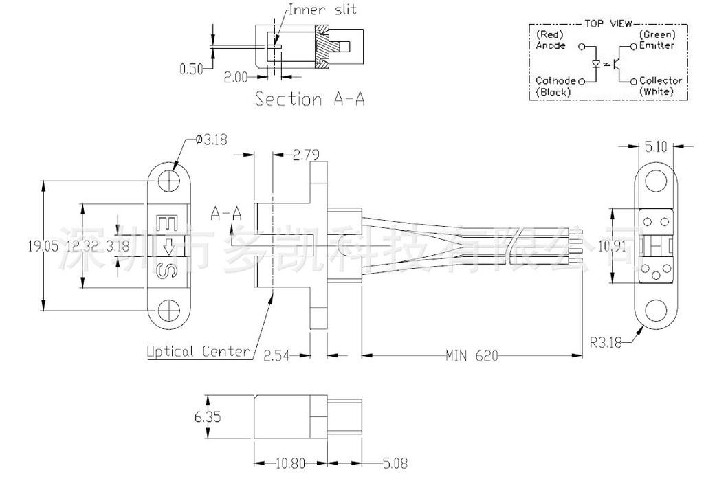
U型 光电传感器
查看供应商
查看完整图文
立即询价
其他相关图集
现货LAP LASER激光划线仪
5K12B2-0007激光器 520nm90mW Diode LaserConcept
供应: ´SHOWA OPTRONICS´SOC´SOC-GLS5295
美国MAC比例阀111B-611JD 原装 32270146329
Eospace,波威,PM-DV5-65-PFA-PFA-1310
405紫光大功率光纤耦合激光器
德国PRIMES PMT 120icu sep/out独立式电缆连接铜锥激光功率计
法国Keopsys高功率光放大器--大功率拉曼激光器
Photodigm Inc PH895DBR系列 半导体激光器
回收丨可调谐激光源安捷伦是德Keysight_Aglient81600B
电子元器件
>
光电器件
>
激光器
>
获取验证码
允许同品行业优质供应商联系我
您对此产品的咨询信息已成功发送给相应的供应商,请注意接听供应商电话。
对不起,您对此产品的咨询信息发送失败,请稍后重新发起咨询。
关闭
登录
|
注册
首页
|
我的马可
触屏版
电脑端
马可波罗版权所有1999-2020