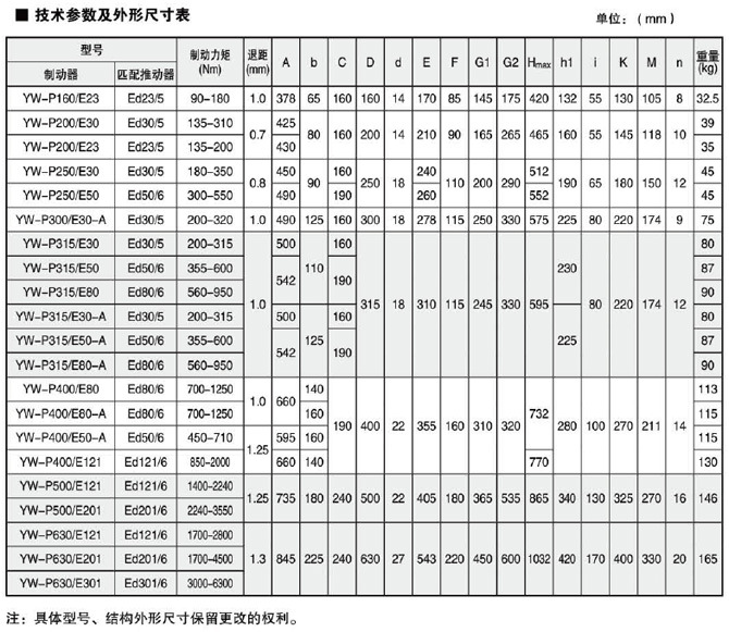
热销供应 YW-P电力液压鼓式安全制动器
查看供应商
查看完整图文
立即询价
其他相关图集
美国MAGTROL制动器HB-450M-2全国总经销 MAGTROL现货型号
销售供应BOSTON制动器
现货TWIFLEX制动器 型号EA#7701211
常年供应OSAKI电磁制动器
burkert宝德电磁阀原装德国力士乐 REXROTH电磁阀详细5135
盘式制动器SB/SBD/DSBD就选焦作精控--精密控制
欧洲进口 ZF EBU 1000/10 6627.125磁力制动器
上海莘默欧洲直供-ATE 制动器 13.2601-0102.2
日本友信YUSHIN制动器MDB-3/MDB-8/MDB-26
ARSENE 外旋磁粉制动器 圆锯机用磁粉刹车器 锯床用电磁制动器
五金零部件、配件、备品备件
>
传动件
>
制动器
>
获取验证码
允许同品行业优质供应商联系我
您对此产品的咨询信息已成功发送给相应的供应商,请注意接听供应商电话。
对不起,您对此产品的咨询信息发送失败,请稍后重新发起咨询。
关闭
登录
|
注册
首页
|
我的马可
触屏版
电脑端
马可波罗版权所有1999-2020