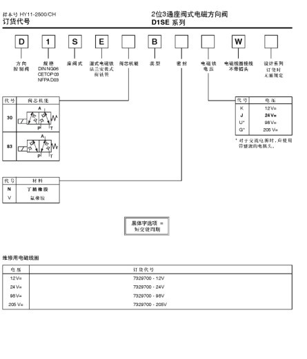
D1SE系列2位3通座阀式电磁方向阀
结构形式:座阀式换向阀
操纵装置:电磁铁
电磁铁电压:12VDC 24VDC 98VDC 205VDC
规格:DIN NG6/CETOP03/NFPA D03
安装姿态:任意
最高压力:P A和T 350bar
最大流量:20L/min
详细信息:
您对此产品的咨询信息已成功发送给相应的供应商,请注意接听供应商电话。
对不起,您对此产品的咨询信息发送失败,请稍后重新发起咨询。