高分子絮凝剂自动泡药机采用日本先进的技术、容积式计量的先进核心部件进行组装;
经过了日本原厂的技术检验,成功为日本原厂进行OEM生产;
该设备具有粉体计量精度高、节约PAM的用量、溶解均匀、全自动PLC控制、自动加药、自动加水等。
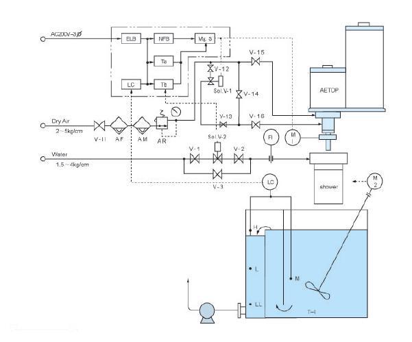
原理图?

型号 | 供粉能力 | 马达动力 | 说明 |
E- TOP 100 N | 25~100ml /min | 0.1kw | 可通过调整马达转速或调整计量孔大小来调节粉体供给量。 |
E-TOP 200 N | 50~200ml/min | 0.1kw |
E-TOP 400 N | 100~400ml/min | 0.1kw |
E-TOP 600 N | 150~600ml/min | 0.1kw |

?
容积式计量确保粉体的计量精度高,
干燥空气吹扫计量室确保粉体全部排出,
独特的防潮结构确保粉体不会吸潮。
独特的水分分散结构,完全无鱼眼现象产生。